Kotły na paliwa stałe 5. klasy - wszystko, co musicie wiedzieć!

Kotły na paliwa stałe 5. klasy - wszystko, co musicie wiedzieć!

Dla tych, którzy muszą kupić nowy kocioł na węgiel, pelety lub drewno, 1 lipca 2018 r. jest szczególnie ważną datą. Od tego bowiem dnia zaczęły obowiązywać przepisy zakazujące sprzedaży kotłów o klasie niższej niż 5. A te są nie tylko bardziej ekologiczne od dominujących dotąd na rynku, ale i sporo droższe.

Streszczenie artykułu
Kotły na paliwa stałe 5 klasy to nowoczesne urządzenia, które spełniają rygorystyczne normy emisyjne, zapewniając jednocześnie wysoką efektywność energetyczną. Te kotły są wyjątkowo przyjazne dla środowiska, ponieważ emitują znacznie mniej szkodliwych substancji do atmosfery w porównaniu do starszych modeli. Wymagają one jednak odpowiedniego paliwa, zazwyczaj ekogroszku o odpowiedniej granulacji i jakości, który pozwala na osiągnięcie optymalnej efektywności. Istotne jest również odpowiednie ustawienie parametrów pracy kotła, które może być regulowane za pomocą elektronicznego sterownika. Warto zauważyć, że kotły 5 klasy są nieco droższe od starszych modeli, ale ich eksploatacja jest tańsza dzięki lepszej efektywności energetycznej. W przypadku budynków o dużych zapotrzebowaniach cieplnych, koszty zakupu i instalacji takiego kotła mogą szybko się zwrócić. Warto również pamiętać, że kotły na paliwa stałe 5 klasy są objęte programem "Czyste Powietrze", który oferuje dofinansowanie na ich zakup i montaż.

Obecnie branża kotłów na paliwa stałe przeżywa prawdziwą rewolucję. Od 1 lipca 2018 r. zaczął bowiem obowiązywać zakaz sprzedaży (wprowadzania do obrotu) kotłów o klasie emisji niższej niż 5, zgodnie z normą PN-EN 303-5:2012. W praktyce oznacza to zaś zniknięcie z rynku znakomitej większości kotłów zasypowych oraz dużej części tych z podajnikiem. Dla kupujących zaś bardzo odczuwalny będzie wzrost cen, bo najtańszy kocioł 5 klasy to wydatek ok. 5000 zł, a większość z nich jest znacznie droższa.

KOTŁY NA PALIWO STAŁE - STARE I NOWE

Do niedawna na polskim rynku można było sprzedać w zasadzie dowolny kocioł na paliwa stałe. Po prostu nie było żadnych obligatoryjnych wymogów odnośnie poziomu emisji szkodliwych substancji ani sprawności. Część producentów wprawdzie mogła się pochwalić rozmaitymi certyfikatami dla swoich urządzeń, jednak przeprowadzenie badań było dobrowolne. Na rynku dominowały najprostsze i najtańsze kotły zasypowe w cenie 2000-3000 zł, zwykle nie spełniające żadnych norm emisji.

Jednak 1 października 2017 r. weszło w życie Rozporządzenie Ministra Rozwoju i Finansów z dnia 1 sierpnia 2017 r. w sprawie wymagań dla kotłów na paliwo stałe. Zgodnie z nim sprzedawane kotły muszą mieć świadectwo potwierdzające uzyskanie najwyższej 5 klasy emisji, zgodnie z normą PN-EN 303-5:2012. Badanie musi być przy tym przeprowadzone w jednym z akredytowanych laboratoriów. Przeszliśmy więc ogromnym skokiem od zupełnego braku regulacji do ich najwyższego poziomu.

Przy okazji warto dodać, że obostrzenia można było wprowadzać stopniowo, do 2020 r., gdy w całej Unii Europejskiej zacznie obowiązywać tzw. dyrektywa ecodesign. Pozostawienie w tym okresie możliwości sprzedaży kotłów 3 i 4 klasy ułatwiłoby życie zarówno producentom jak i inwestorom, bo łatwiej stopniowo przestawiać produkcje, a same urządzenia są znacznie tańsze.

Kocioł na paliwo stałe  5. klasy
Od 1 lipca 2018 r. można sprzedawać tylko kotły na węgiel, pelety lub drewno, które spełniają wymogi klasy 5. (fot. Kotrem)

Co bardzo ważne, rozporządzenie nie wprowadza obowiązku wymiany już eksploatowanych kotłów. A ocenia się, że ok. 75% użytkowanych w kraju urządzeń na paliwa stałe to proste kotły zasypowe, bez certyfikatu potwierdzającego spełnienie jakichkolwiek norm emisji zanieczyszczeń.

Ponadto wcale nie zakazano produkcji kotłów o klasie niższej niż 5. Producenci nie będą mogli jednak sprzedawać ich na rynku krajowym, jedynie wyeksportować do krajów, gdzie przepisy są łagodniejsze.

Być może przepisy będą też obchodzone, bo np. nie dotyczą one kotłów przeznaczonych tylko do przygotowania ciepłej wody użytkowej (c.w.u.), oraz spalających tzw. biomasę niedrzewną, czyli np. słomę lub pestki. A cóż prostszego, niż wpisać takie ograniczenie do dokumentacji kotła?

Stary kocioł na paliwo stałe
Stopniowo przybywa województw, w których trzeba wymieniać stare kotły, niespełniające obecnych norm emisji zanieczyszczeń. (fot. L. Jampolska)
Kocioł na biomasę
Nowe przepisy nie dotyczą kotłów na biomasę inną niż drzewna. Ich liczba na rynku prawdopodobnie wzrośnie. (fot. Biowat)

KRYTERIA WYBORU KOTŁÓW NA PALIWA STAŁE

Fakt, że na rynku pozostały tylko urządzenia ekologiczne i o wysokiej sprawności, nie znaczy wcale, że wybór stał się łatwy. Przede wszystkim kocioł musi być pod względem mocy dopasowany do potrzeb budynku. Zaś wybór paliwa oraz decyzja czy sprzęt ma mieć podajnik to już kwestia naszych oczekiwań i możliwości.

Nie wolno zapominać, że jeżeli chcemy wykorzystać kocioł do przygotowywania c.w.u., to musimy kupić zbiornik i wygospodarować na niego miejsce. W pewnych sytuacjach ma sens również instalacja dużego zasobnika wody grzewczej pracującego jako bufor lub akumulator ciepła. Zawsze musimy pamiętać o względach bezpieczeństwa, z czym wiąże się zasadnicza kwestia sposobu zabezpieczenia kotła za pomocą otwartego lub zamkniętego naczynia wzbiorczego.

Sterownik nowoczesnego kotła na paliwo stałe
Dobry kocioł nie gwarantuje jeszcze czystego spalania. Musi być prawidłowo dobrany do budynku, właściwie sterowany i zasilany odpowiedniej jakości paliwem. (fot. SAS)
Przeczytaj
Może cię zainteresować
Dowiedz się więcej
Zobacz więcej Zobacz mniej

JAK DOBRAĆ MOC KOTŁA NA PALIWO STAŁE 5. KLASY?

Podstawowym, a do tego powszechnie popełnianym błędem jest zakup urządzenia o mocy zbyt wysokiej względem potrzeb budynku. Taki przewymiarowany kocioł nigdy nie pracuje z mocą nominalną, kiedy to jego sprawność i czystość spalania są najlepsze. Przy temperaturze zewnętrznej ok. 0°C działa już zupełnie źle, a przecież takie warunki to większość sezonu grzewczego. Trzeba sobie uświadomić, że instalacje grzewcze w budynkach projektuje się tak aby pokryły straty ciepła występujące przy skrajnie niskiej temperaturze zewnętrznej rzędu -20°C. Co oznacza, że przy 0°C wystarczy już o połowę mniej.

W nowym domu średniej wielkości maksymalne zapotrzebowanie na moc grzewczą wyniesie zwykle nie więcej niż 10 kW. Przypomnijmy, przy -20°C. Czyli przez większość sezonu wystarczy o połowę mniej (5 kW) lub jeszcze niższa moc. Dobrany prawidłowo kocioł 5 klasy będzie w stanie pracować z wysoką sprawnością i czysto przez cały sezon. Bowiem w ramach badań testuje się również jego pracę z mocą wynoszącą 30% nominalnej.

Wyjątkiem jest sytuacja, gdy producent zadeklaruje, że kocioł przeznaczony jest tylko do działania z mocą nominalną i z buforem ciepła (zbiornikiem akumulacyjnym). Ma to sens w przypadku kotłów zgazowujących drewno, wynika ze specyfiki ich pracy. Jeżeli jednak taką informację znajdziemy w dokumentacji innego kotła, mamy wyraźny sygnał, że wytwórca szukał wybiegu, żeby jakoś przebrnąć przez badania. Po prostu przy pracy z mocą częściową spada sprawność spalania, rośnie zaś emisja zanieczyszczeń.

Co się zaś stanie, gdy dobierzemy kocioł na zapas? Jeżeli nadwyżka będzie niewielka, np. z projektu wynika, że potrzebujemy 9 kW, my zaś kupimy 12 kW? Wówczas różnica nie będzie zbyt odczuwalna, tym bardziej, że w czasie testów kotły opalane są węglem najwyższej jakości o bardzo wysokiej kaloryczności, wymiennik jest idealnie czysty itd. W praktycznej eksploatacji paliwo będzie najpewniej nieco gorsze, a stan kotła i sterowanie nim też nie na poziomie laboratoryjnego ideału.

Problem zacznie się zaś gdy kupimy urządzenie ze sporą nadwyżką mocy, do czego zresztą zachęca wielu sprzedawców? Z racji działania zawsze poniżej nominalnej mocy będziemy spalać więcej opału, puszczać przez komin więcej substancji szkodliwych, a komora spalania i wymiennik będą wymagały znacznie częstszego czyszczenia. Zapisane w dokumentacji parametry spalania pozostaną tylko na papierze, daleko poza naszym zasięgiem. Dlatego po prostu nie warto kupować przewymiarowanego kotła, choćby skłaniała do tego niewielka różnica w cenie.

Uwaga! W domach jednorodzinnych nie ma sensu zwiększać mocy kotła na poczet przygotowywania c.w.u.

 

Kotły zgazowujące drewno powinny zawsze pracować z pełną, nominalną mocą ( po lewej Mora). Dlatego powinny współpracować z dużym zbiornikiem akumulacyjnym (po prawej Elektromet).

KOCIOŁ NA PALIWO STAŁE 5. KLASY - ZASYPOWY CZY Z PODAJNIKIEM?

Obecnie kotłów zasypowych spełniających wymagania 5 klasy jest na rynku bardzo mało. Jednak oferta prawdopodobnie będzie rosła, bo wciąż jest na nie popyt. Tym bardziej, że:

  • niektóre paliwa, w szczególności drewno w szczapach da się spalać tylko w kotłach zasypowych;
  • w wielu istniejących domach wymiana starego kotła zasypowego na nowy z zasobnikiem byłaby bardzo trudna ze względu na brak miejsca w kotłowni;
  • wiele małych domów ma bardzo niewielkie zapotrzebowanie na ciepło. Kotły zasypowe mogą mieć moc nawet poniżej 10 kW, a zrobienie takich w wersji z podajnikiem jest bardzo trudne;
  • kotły zasypowe są tańsze i mniejsze od tych z podajnikiem;
  • modele bez dmuchawy i elektronicznego sterownika mogą działać bez prądu, a jeżeli obieg wody jest grawitacyjny instalacja grzewcza może działać normalnie nawet w razie awarii sieci energetycznej.

Za to zasadniczym atutem urządzeń z podajnikiem jest bez porównania większa wygoda obsługi. Nie każdy ma czas i chęć zaglądać do kotłowni kilka razy dziennie. Kocioł z podajnikiem może zaś działać bez nadzoru przez kilka dni. Zaś o dobrą jakość spalania dba zaawansowana automatyka.

Kocioł na paliwo stałe z podajnikiem
Wyśrubowane normy emisji spełniają obecnie głównie urządzenia z podajnikiem. Na razie na nich producenci koncentrowali swoje wysiłki. Kotłów zasypowych 5. klasy prawie nie ma. (fot. Tekla)

PALIWO DLA KOTŁÓW 5. KLASY

Najpopularniejsze w naszym kraju paliwa to węgiel i drewno w szczapach, w mniejszym stopniu pelety. Łatwo to zrozumieć wiedząc, że ¾ użytkowanych urządzeń to kotły zasypowe, opalane węglem i drewnem naprzemiennie. Ta uniwersalność jest zresztą przez wielu użytkowników postrzegana jako duża zaleta.

Trzeba jednak pamiętać, że najlepsze wyniki, jeżeli chodzi o sprawność i czystość spalania, daje specjalizacja. Dlatego właśnie spalanie drewna w kotłach zgazowujących daje znacznie lepsze efekty niż w tych, które zaprojektowano tak naprawdę do spalania węgla. Podobnie, w kotle na węgiel-groszek da się palić peletami, ale efekty będą odczuwalnie gorsze niż gdybyśmy mieli kocioł z palnikiem peletowym. Warto dodać, że w drugą stronę już się tak nie da - kocioł na pelety nie nadaje się do spalania węgla.

Dlatego decyzja o rodzaju paliwa ma zasadnicze znaczenie. Trzeba myśleć o jego cenie, dostępności w danym regionie, wygodzie przyszłej obsługi oraz tym, czy mamy odpowiednie miejsce na skład opału. W szczególności dotyczy to mało popularnych paliw takich jak słoma. Do jej spalania potrzeba specjalnego kotła, musimy go obsługiwać ręcznie a paliwo o porównywalnej wartości opałowej zajmie nawet 10 tyle miejsca co węgiel. Dość podobnie jest z drewnem, z tą różnicą, że nie potrzebujemy na nie aż tyle miejsca.

Pod względem użytkowym bezapelacyjnie najwygodniejszy jest zaś węgiel-groszek i pelety, bo nimi da się zasilać kotły z podajnikiem. Co więcej, niektóre ich modele mają nawet automatyczne zapalarki.

Najlepsze efekty daje specjalizacja. Kotły na pelety mają specjalne palniki przeznaczone tylko do tego paliwa, nie do węgla. (fot. Zębiec)
Najlepsze efekty daje specjalizacja. Kotły na pelety mają specjalne palniki przeznaczone tylko do tego paliwa, nie do węgla. (fot. Zębiec)

 

BUFOR LUB AKUMULATOR

Po co w instalacji c.o. zbiornik na wodę grzewczą? Sprawność i czystość spalania można znacznie poprawić instalując pomiędzy kotłem a grzejnikami duży zasobnik wody grzewczej. Wówczas kocioł nagrzewa wodę w zbiorniku niezależnie od tego, czy grzejniki odbierają ciepło czy nie. Chwilowe zmiany na ciepło w pomieszczeniach nie mają więc znaczenia dla pracy kotła. Może on zawsze działać z mocą nominalną, przy której osiąga największą sprawność. Oczywiście, nadmiar ciepła zgromadzony w zbiorniku, można wykorzystać później, gdy kocioł (lub kominek z płaszczem wodnym) już nie pracuje.

Zaletą układu z dużym zbiornikiem akumulacyjnym jest też stabilizacja temperatury wody w instalacji. Chwilowe zwiększenie intensywności palenia, typowe np. dla kominków z płaszczem wodnym, albo przerwanie odbioru ciepła przez grzejniki nie spowoduje wrzenia wody. Dla podgrzania dużej ilości wody potrzeba znacznie więcej ciepła. Jeśli ruch ciepłej wody pomiędzy kotłem lub kominkiem a zasobnikiem odbywa się grawitacyjnie - bez pompy - to taki układ jest mało podatny na przegrzanie w wyniku braku prądu.

Zbiorniki akumulacyjne należy szczególnie polecić użytkownikom kotłów zasypowych (bez podajnika) oraz kominków z płaszczem wodnym. Ich mocą szczególnie trudno jest sterować, a jej zmniejszenie powoduje opisany wcześniej spadek sprawności oraz pogorszenie czystości spalania. Zbiornik akumulacyjny trzeba traktować jako niezbędne uzupełnienie kotła zgazowującego drewno. Proces wydzielania i spalania gazu drzewnego wymaga utrzymania wysokiej temperatury w kotle. W związku z tym musi on pracować z pełną mocą, a nie zdławiony.

Zbiornik akumulacyjny, nawet do kotła o mocy kilkunastu kW, powinien mieć przynajmniej 500 l pojemności, najczęściej stosuje się ok. 1000 l. Taki zasobnik ma, niestety, dwie istotne wady. Pierwszą jest wysoka cena - przynajmniej 2500 zł, za zasobnik 1000 l. Drugą zaś jest spora wielkość. Przy takiej pojemności walec o średnicy 80 cm ma 2 metry wysokości. Nie w każdym domu znajdzie się dla niego miejsce.

Kocioł z dużym zasobnikiem
Duży, o pojemności ponad 200 l, zasobnik zajmuje więcej miejsca, ale pozwala zapomnieć o obsłudze kotła na dłużej. (fot. Galmet)

KOCIOŁ NA PALIWA STAŁE DO PRZYGOTOWYWANIA C.W.U.

Każdy kocioł na paliwa stałe jest tzw. kotłem jednofunkcyjnym, co oznacza, że nie może podgrzewać wody użytkowej w zasobniku lecz potrzebuje do tego zbiornika z wężownicą lub płaszczem wodnym. Zbiornik jest przy tym duży - często dobieranym w myśl zasady 50 litrów na osobę. Jednak dla 4-5 osób wystarczy często nieco mniejszy o pojemności 100-140 l. Powody są dwa.

Po pierwsze, można podnieść temperaturę w zasobniku, a w czasie poboru dodawać więcej zimnej Jeśli 150 l wody podgrzejemy nie do 40°C ale do 60°C, to po wymieszaniu z zimną (10°C) otrzymamy 250 l wody o temperaturze 40°C.

Po drugie, o ile kocioł jest w ogóle rozpalony to zaczyna dogrzewać wodę zanim ją w całości zużyjemy. Automatyka kotłów działa z tzw. priorytetem c.w.u. Czyli w momencie, gdy zostanie wykryty spadek temperatury wody w zasobniku, kocioł przestaje ogrzewać pomieszczenia, grzeje zaś c.w.u. Wyłączenia lub ograniczenia ogrzewania wnętrz zaś nie odczujemy, bo kocioł nie potrzebuje wiele czasu, by podgrzać wodę.

W przypadku kotłów na paliwa stałe zasadniczym problemem jest jednak podgrzewanie wody poza sezonem grzewczym. Utrzymywanie cały czas na chodzie kotła tylko na potrzeby c.w.u. jest nieuzasadnione, bo więcej paliwa zużyjemy na podtrzymanie żaru niż na podgrzanie wody. Sprawność i czystość spalania będą przy tym fatalne. Najprostsze rozwiązanie alternatywne to montaż grzałki elektrycznej w zbiorniku. Jednak to oznacza wzrost kosztów eksploatacyjnych. Dlatego wartym rozważenia jest montaż kolektorów słonecznych lub małej pompy ciepła tylko do c.w.u.

ZABEZPIECZENIA KOTŁÓW NA PALIWA STAŁE

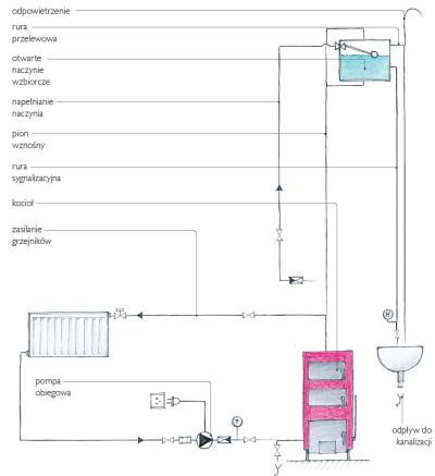
Dawniej wszystkie kotły na paliwa stałe zabezpieczano za pomocą tzw. otwartego naczynia wzbiorczego. Obecnie coraz częściej producenci dopuszczają również pracę w układzie zamkniętym i wyposażają swoje kotły w stosowne do tego zabezpieczenia.

Naczynie otwarte stanowi bardzo dobre, bo niezawodne, zabezpieczenie przed nadmiernym wzrostem ciśnienia wody w wyniku jej przegrzania. Tu nie ma elementów, które mogą się zepsuć, zaciąć itp. Kocioł łączy się z rurą o średnicy przynajmniej 1 cala z naczyniem położonym w najwyższym punkcie instalacji. Przelew z naczynia sięga zaś nad zlew w kotłowni. Naczynie musi mieć pojemność roboczą odpowiadającą przynajmniej 4% całkowitej objętości wody w układzie c.o. Na rurze łączącej kocioł i naczynie nie wolno instalować żadnych zaworów, pomp ani innych elementów tamujących ruch wody.

Woda po rozgrzaniu się zwiększa swą objętość, ale jedynym skutkiem jest wzrost jej poziomu w naczyniu. Ciśnienie nie rośnie, choćby woda w kotle zaczęła wrzeć. W układzie otwartym większe jest jednak niebezpieczeństwo korozji niektórych elementów instalacji. Można temu skutecznie przeciwdziałać, np. stosując dodatki do wody grzejnej, zwane inhibitorami korozji, ale niektórzy producenci nie dopuszczają by ich grzejniki pracowały w układzie otwartym.

W nowoczesnych instalacjach często rozdziela się obieg wody na dwa: otwarty - kotłowy i zamknięty - grzejnikowy. Woda w nich się nie miesza, tylko w wymienniku następuje wymiana ciepła.

Kocioł i otwarte naczynie wzbiorcze - schemat
Otwarte naczynie wzbiorcze musimy umieścić w najwyższym punkcie instalacji, powyżej grzejników.

Obecnie przepisy dopuszczają również pracę kotłów na paliwa stałe w zamkniętych instalacjach c.o. (z zamkniętym naczyniem wzbiorczym). Zaletą jest tu znaczna dowolność w wyborze miejsca na naczynie, łatwość połączenia w jednej instalacji np. kotła gazowego i na paliwa stałe oraz ograniczenie ryzyka korozji.

Jednak warunkiem jest wyposażenie kotła w urządzenie do odbioru nadmiaru ciepła. Najczęściej jest to umieszczona w części wodnej kotła wężownica, przez którą - w razie wzrostu temperatury - przepływa zimna woda wodociągowa, która trafia następnie do kanalizacji.

Kocioł z zewnętrzną wężownicą schładzającą - schemat działania
Kocioł można też wyposażyć w zewnętrzną wężownicę schładzającą.

Uwaga! To rozwiązanie nie zapewnia bezpieczeństwa, jeśli woda w domu pochodzi nie z sieci wodociągowej, lecz z własnego ujęcia. Brak prądu to wówczas przecież również brak wody. A przegrzanie kotła to często właśnie skutek wyłączenia się pompy c.o. i ustania obiegu wody, w następstwie czego ciepło nie jest odbierane przez grzejniki. Kocioł nie zostanie jednak schłodzony, bo nie będzie pracował także zestaw hydroforowy zapewniający przepływ wody w instalacji domowej.

Jarosław Antkiewicz
fot. otwierająca: Tomasz57 (forum.budujemydom.pl)

FAQ Pytania i odpowiedzi
  • Jakie są najważniejsze cechy kotłów na paliwa stałe 5. klasy?

    Kotły na paliwa stałe 5. klasy charakteryzują się wysoką efektywnością, niską emisją szkodliwych substancji, a także elastycznym zakresem mocy.
  • Jakie są zalety kotłów na paliwa stałe 5. klasy?

    Zalety kotłów na paliwa stałe 5. klasy to przede wszystkim wysoka efektywność, niska emisja szkodliwych substancji oraz możliwość regulacji mocy.
  • Czy kotły 5. klasy są zgodne z normami ekologicznymi?

    Tak, kotły 5. klasy spełniają restrykcyjne normy ekologiczne, które obowiązują na terenie Unii Europejskiej.
Jarosław Antkiewicz
Jarosław Antkiewicz
Człowiek wielu zawodów, instalator z powołania i życiowej pasji. Od kilkunastu lat związany z miesięcznikiem i portalem „Budujemy Dom”. W swojej pracy najbardziej lubi znajdywać proste i praktyczne rozwiązania skomplikowanych problemów. W szczególności propaguje racjonalne podejście do zużycia energii oraz zdrowy rozsądek we wszystkich tematach związanych z budownictwem. W wolnych chwilach, o ile nie udoskonala czegoś we własnym domu i jego otoczeniu, uwielbia gotować albo przywracać świetność klasycznym rowerom.
Komentarze

podczytywacz
03-11-2024 09:23
9 godzin temu, Zdaniem Czytelnika napisał: Kto to wymyślił, żeby palić drewnem! Najstarsze plemiona już ogrzewały się i przyrządzały jadło przy ognisku... I tam już palili... drewnem... Ale w źródłach pisanych nie ma nazwiska tego, kto to wymyślił
Zdaniem Czytelnika
02-11-2024 23:56
Komentarz dodany przez Marek: Kto to wymyślił, żeby palić drewnem!
retrofood
17-11-2023 13:08
28 minut temu, Zdaniem Czytelnika napisał: Komentarz dodany przez Karo: Polacy w unii europejskiej (celowo z małej litery) są zobowiązani do ekologii pod każdym względem, natomiast za granicami Europy można palić "kak komu udobna" i to powietrze się na pewno "nie ...
Wiecej na Forum BudujemyDom.pl
Najnowsze artykuły
Czytaj tak, jak lubisz
W wersji cyfrowej lub papierowej
Moduł czytaj tak jak lubisz