instalacje elektryczne

Sterowanie urządzeniami elektrycznymi w smart domu
Sterowanie urządzeniami elektrycznymi w smart domu
Urządzeń elektrycznych, czyli takich, które potrzebują zasilania prądem, mamy w domu sporo. Kiedyś uruchamiało się je włącznikiem, dziś można to zrobić także zdalnie - w...
Oświetlenie i osprzęt w smart domu
Oświetlenie i osprzęt w smart domu
Praktycznie nie sposób znaleźć inteligentny dom, w którym by nie przewidziano zaawansowanego sterowania oświetleniem. Przede wszystkim dlatego, że w takim budynku nietrudno to...
Jak wyznaczyć zapotrzebowanie na moc przeciętnego domu jednorodzinnego?
Jak wyznaczyć zapotrzebowanie na moc przeciętnego domu...
Rozmowy Dociekliwego Inwestora z Majstrem Guru. Majster prosto i zrozumiale tłumaczy, a Inwestor zadaje coraz bardziej dociekliwe pytania… Tym razem pomaga wyznaczyć optymalne...
Elementy instalacji elektrycznej
Elementy instalacji elektrycznej
Każda instalacja podzielona jest na mniejsze fragmenty, zwane obwodami, które obejmują np. grupę gniazd lub punktów oświetleniowych.
O czym mówią elektrycy? - podstawowe pojęcia
O czym mówią elektrycy? - podstawowe pojęcia
Elektrycy często używają niezrozumiałych pojęć dla laików. W artykule przedstawiamy 17 najważniejszych haseł związanych z przyłączem energetycznym.
Ograniczniki przepięć. Co to jest? Czy są niezbędne w każdym domu?
Ograniczniki przepięć. Co to jest? Czy są niezbędne w każdym domu?
Podczas burzy, wskutek wyładowań atmosferycznych może dojść do zniszczenia kosztownych sprzętów domowych, naszych telewizorów, komputerów, a nawet pralek. Serwisy naprawcze po...
Instalację elektryczną należy zacząć od uziomu fundamentowego!
Instalację elektryczną należy zacząć od uziomu fundamentowego!
Instalacja elektryczna. Od czego należy zacząć? Takie pytanie stawiają sobie zazwyczaj młodzi, prywatni inwestorzy, budujący swój wymarzony dom. Najczęściej mury już stoją,...
Dobór instalacji w domu jednorodzinnym - poradnik praktyczny
Dobór instalacji w domu jednorodzinnym - poradnik praktyczny
Instalacje nie wzbudzają u większości inwestorów przyspieszonego bicia serca. Co więcej mało kto w ogóle o nich myśli na etapie planowania, czy nawet początków budowy. Jednak...
Wykonywanie zewnętrznej instalacji elektrycznej
Wykonywanie zewnętrznej instalacji elektrycznej
Wykonanie instalacji, jak zresztą urządzenie całego ogrodu, można zlecić profesjonalnej firmie, tyle że jest to opcja dość kosztowna. Samodzielna realizacja większości prac,...
Jak zamontować gniazdka w ścianie działowej z płyt g-k?
Jak zamontować gniazdka w ścianie działowej z płyt g-k?
Podzieliłem pokój córek na dwa pomieszczenia za pomocą ścianki działowej z płyt gipsowo-kartonowych. Zapominałem jednak o założeniu gniazdek - po dwa z każdej strony ściany. W...
O co chodzi z woltami i amperami?
O co chodzi z woltami i amperami?
Rozmowy Dociekliwego Inwestora z Majstrem Guru. Majster prosto i zrozumiale tłumaczy, a Inwestor zadaje coraz bardziej dociekliwe pytania… Tym razem opowiada o podstawowych...
Oświetlenie w podsufitce przetrwało już 18 lat!
Oświetlenie w podsufitce przetrwało już 18 lat!
Na ścianach domu i wolno stojącego garażu nie założyliśmy kinkietów, tylko oczka w podbitce. Kupiliśmy oprawy o wysokiej jakości, wykonane z metalu, które przetrwały już 18...
Wyłącznik różnicowoprądowy, czyli RCD
Wyłącznik różnicowoprądowy, czyli RCD
Jest w naszych domowych rozdzielnicach od prawie trzydziestu lat, a jednak pozostaje właściwie nieznany i dość tajemniczy. Wyłącznik różnicowoprądowy, zwany popularnie...
Oszczędziliśmy 20 000 zł, bo wybraliśmy osprzęt z hipermarketu
Oszczędziliśmy 20 000 zł, bo wybraliśmy osprzęt z hipermarketu
Najbardziej podobają się nam designerskie wyroby ceramiczne z dźwigienkami, dostępne w specjalistycznych sklepach, lecz za same gniazda i łączniki musielibyśmy zapłacić 25 000...
110 sztuk osprzętu elektroinstalacyjnego na 156 m2 domu
110 sztuk osprzętu elektroinstalacyjnego na 156 m2 domu
Staraliśmy się maksymalnie uprościć wszelkie domowe instalacje, a co za tym idzie - liczbę osprzętu. Kupiliśmy tańsze wyroby, ale do dwukondygnacyjnego budynku o powierzchni...
Pomimo rozbudowania instalacji elektrycznej, ciągle brakuje gniazd!
Pomimo rozbudowania instalacji elektrycznej, ciągle brakuje gniazd!
Liczbę gniazd wtykowych zaprojektowaliśmy na wyrost, bo wciąż przybywa nam sprzętów. W kuchni nad blatem mamy 9 "wtyków" i wcale nie jest ich za dużo. W łazience rodzinnej...
Rozbudowa instalacji - przewody z miedzi czy aluminium?
Rozbudowa instalacji - przewody z miedzi czy aluminium?
Co kilkanaście lat trzeba się liczyć z gruntownym remontem instalacji elektrycznej. Jeśli stare gniazda wychodzą ze ścian, są poobtłukiwane i zniszczone, a w domu nie sposób...
Zalecane odległości urządzeń elektrycznych w łazience
Zalecane odległości urządzeń elektrycznych w łazience
Jakie są zasady umieszczania urządzeń elektrycznych i gniazd w łazience (względem wanny)? Chcę tam zmieścić elektryczny podgrzewacz i pralkę. Czy pralka może stać tuż obok...
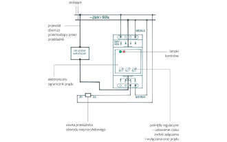
Jak działają ograniczniki poboru prądu?
Jak działają ograniczniki poboru prądu?
W domu rodziców zaadaptowaliśmy poddasze na mieszkalne, ale pojawił się problem z instalacją elektryczną. Dotychczas zasilane były tylko pomieszczenia na parterze z podłączoną...
Oprawy najazdowe z diodami LED kompletnie zawiodły!
Oprawy najazdowe z diodami LED kompletnie zawiodły!
Zadbałem o widny wjazd, bo na ulicy nie ma latarni. Jednak oprawy najazdowe kompletnie zawiodły. Po dwóch latach zaczęły się przepalać jedna po drugiej i przed upływem trzech...
Zabezpieczenie przed samoczynnym włączeniem urządzeń
Zabezpieczenie przed samoczynnym włączeniem urządzeń
Niedawno spotkała mnie niemiła przygoda. W trakcie mieszania farby wiertarką z mieszadłem wyłączono prąd, co wymusiło dłuższą przerwę w pracy. Niestety, włącznik wiertarki był...
Jak zamontować halogeny w suficie z płyt g-k?
Jak zamontować halogeny w suficie z płyt g-k?
Chciałbym zamontować w suficie z płyt g-k oświetlenie halogenowe w formie reflektorków. Problem w tym, że jest to poddasze, a za płytami znajduje się ocieplenie z wełny...
Świetlówka żarówce nierówna - jak wybrać źródło światła?
Świetlówka żarówce nierówna - jak wybrać źródło światła?
Pierwsze skojarzenie z oświetleniem to wciąż zwykła żarówka, chociaż wybór nowocześniejszych źródeł światła jest bardzo duży. Jednak każde z nich ma pewne szczególne cechy,...
Przy doborze oświetlenia kierowaliśmy się doświadczeniem z budowy czterech domów
Przy doborze oświetlenia kierowaliśmy się doświadczeniem z budowy...
Dopracowałam z mężem elektrykę i oświetlenie w kuchni. Mamy tu sporo gniazd do dużego i małego sprzętu AGD, w tym na wyspie 2 gniazda, do których podłączamy m.in. radio,...
Modernizacja oświetlenia w małej łazience - dobre rady
Modernizacja oświetlenia w małej łazience - dobre rady
Przed remontem w łazience miałam tylko oświetlenie górne pod sufitem i boczny kinkiet przy lustrze. Strefa nad umywalką oraz przy lustrze nie była dostatecznie widna....
Wady oświetlenia zewnętrznego: brak oświetlenia przy bramie i zbyt niskie lampy-słupki
Wady oświetlenia zewnętrznego: brak oświetlenia przy bramie i zbyt...
Dla oświetlenia na elewacji wytyczyliśmy dobrą ilość obwodów, czego nie możemy powiedzieć o ogrodzie. Bardzo długi obwód niskonapięciowy na początku nie dawał rady obsłużyć...
Czy trzeba wymienić przetarty przedłużacz ogrodowy?
Czy trzeba wymienić przetarty przedłużacz ogrodowy?
Korzystam na działce rekreacyjnej z różnych elektrycznych narzędzi ogrodniczych i z przerażeniem zauważyłam, że przedłużacz ogrodowy jest w jednym miejscu przetarty, prawie z...
Ostrzegam - światło kinkietów na elewacji ukazuje nierówności ścian!
Ostrzegam - światło kinkietów na elewacji ukazuje nierówności ścian!
Nie brakuje nam wokół budynku górnego światła. Reflektor nad garażem okazuje się najbardziej praktyczny, ma czujniki ruchu i zmierzchu. Polecam zastosowanie takich czujników....
Do ogrodu wybrałam najtańsze kinkiety i lampy-słupki - to był błąd!
Do ogrodu wybrałam najtańsze kinkiety i lampy-słupki - to był błąd!
Byłam tak pochłonięta ważniejszymi aspektami budowy i wyposażenia domu, że sam dobór lamp zewnętrznych potraktowałam "lajtowo". Po prostu pojechałam do pobliskiego sklepu...
Lampa LED nad lustrem była trudna do zdobycia, ale okazała się warta grzechu
Lampa LED nad lustrem była trudna do zdobycia, ale okazała się warta...
Lampa LED nad lustrem też była trudna do zdobycia przez Internet, na dodatek nie była tania, ale okazała się warta grzechu. Emituje białe światło, które rzeczywiście ułatwia...
Zmodernizowałam oświetlenie robocze i dekoracyjne podczas remontu kuchni
Zmodernizowałam oświetlenie robocze i dekoracyjne podczas remontu...
Rozbudowałam kuchnię o miejsce ze stołem i spiżarnię. Kompletując oświetlenie, położyłam nacisk na dobre oświetlenie blatów roboczych oraz stołu w nowej jadalni - mówi Czesia,...
Dobrze przemyślałam rozmieszczenie osprzętu w domu
Dobrze przemyślałam rozmieszczenie osprzętu w domu
Dobrze przemyślałam to, gdzie punkty będą przydatne. Chodziłam z elektrykiem po domu i pokazywałam mu miejsca, w których ma je wyprowadzić. Zaznaczaliśmy kredą lokalizację na...
Instalacja z osprzętem elektroinstalacyjnym kosztowała 40 000 zł
Instalacja z osprzętem elektroinstalacyjnym kosztowała 40 000 zł
12 lat temu zleciłem wykonanie szczegółowego projektu instalacji elektrycznej, bo chciałem w sposób automatyczny sterować oświetleniem, zewnętrznymi roletami i kilkoma innymi...
Wyłącznik instalacyjny nadmiarowo-prądowy. Zasada działania i cel stosowania
Wyłącznik instalacyjny nadmiarowo-prądowy. Zasada działania i cel...
Chociaż wyłącznik instalacyjny nadmiarowoprądowy jest najbardziej powszechnym aparatem w każdej rozdzielnicy domowej, w tym swoistym centrum każdej instalacji elektrycznej, o...
W jaki sposób zainstalować gniazdka elektryczne w kilku punktach ogrodu i rozmieścić lampy?
W jaki sposób zainstalować gniazdka elektryczne w kilku punktach...
Jak rozplanować i zainstalować gniazdka elektryczne oraz lampy w ogrodzie o powierzchni 3000 m2, z wykorzystaniem paneli fotowoltaicznych? Zastanawiam się nad montażem...
Dlaczego niektóre świetlówki mają takie paskudne światło?
Dlaczego niektóre świetlówki mają takie paskudne światło?
Rozmowy Dociekliwego Inwestora z Majstrem Guru. Majster prosto i zrozumiale tłumaczy, a Inwestor zadaje coraz bardziej dociekliwe pytania... Tym razem opowiada dlaczego...
KBD
Czytaj tak, jak lubisz
W wersji cyfrowej lub papierowej
Moduł czytaj tak jak lubisz