Porady: Pompy ciepła

Czy ogrzewanie pompą ciepła jest bardziej ekonomiczne niż tradycyjne źródła ciepła?
Czy ogrzewanie pompą ciepła jest bardziej ekonomiczne niż tradycyjne źródła ciepła?
Zawsze na rynku poszukiwane są ekonomiczne systemy grzewcze, bo zależy nam na obniżaniu kosztów eksploatacyjnych w każdym zakresie.
Czy pompa gruntowa pobiera dużo prądu z sieci do działania?
Czy pompa gruntowa pobiera dużo prądu z sieci do działania?
Generalnie pompy ciepła należą do jednych z najoszczędniejszych urządzeń w eksploatacji. Gdyby przyrównać ich pracę do ogrzewania elektrycznego, to pobór energii elektrycznej jest około 4-5 razy mniejszy.
Czy i dlaczego stosuje się zbiornik buforowy razem z pompą ciepła?
Czy i dlaczego stosuje się zbiornik buforowy razem z pompą ciepła?
Jednym z ważniejszych czynników umożliwiających prawidłową pracę pompy ciepła jest zapewnienie odpowiedniego zładu wody w instalacji c.o. Prościej rzecz ujmując, ważnym jest aby w instalacji c.o. znajdowała się odpowiednia ilość wody, dzięki czemu można uniknąć tzw. taktowania pompy ciepła.
Czy połączenie pompy ciepła i paneli fotowoltaicznych w jednej instalacji się opłaca?
Czy połączenie pompy ciepła i paneli fotowoltaicznych w jednej instalacji się opłaca?
Odpowiedź eksperta: Przepisy dotyczące efektywności energetycznej budynków są obecnie skonstruowane w taki sposób, aby zachęcić inwestorów do jak najpełniejszego wykorzystywania odnawialnych źródeł energii.
Czy pompa ciepła może współpracować z grzejnikami?
Czy pompa ciepła może współpracować z grzejnikami?
Odpowiedź eksperta: Pompa ciepła to nowoczesne, praktycznie bezobsługowe rozwiązanie będące synonimem komfortu i luksusu. Jest ekologicznym źródłem czystej, zielonej i praktycznie darmowej energii. Dzięki zaawansowanej technologii pozwala na ogrzewanie budynku energią z zasobów naturalnych: powietrza lub gruntu. Wyposażona w inteligentny sterownik umożliwia zarządzanie pracą pompy zdalnie za pomocą tabletu lub smartfonu.
Pompa ciepła pomaga w eliminacji smogu
Pompa ciepła pomaga w eliminacji smogu
Na początku 2018 roku stolica Polski oddychała smogiem. Na stacjach pomiarowych w czterostopniowej skali górowała czwórka, czyli zanieczyszczenie powietrza powyżej norm. Władze zalecają, aby unikać przebywania na dworze, wietrzenia pomieszczeń. Dorosłe, zdrowe osoby powinny wstrzymać się od aktywności fizycznej. Również jazda autem i palenie w kominkach w takie dni nie są wskazane.
Jak mądrze wybrać pompę ciepła?
Jak mądrze wybrać pompę ciepła?
Z mojego 11-letniego doświadczenia w sprzedaży pomp ciepła NIBE oraz 6-letniego w użytkowaniu pompy ciepła we własnym domu, wynika że przy zakupie pompy ciepła warto zrobić analizę urządzenia rozpatrując: parametry techniczne;  wyposażenie i funkcjonalność urządzenia oraz doświadczenie producenta. Przybliżam najważniejsze cechy, na które warto zwrócić uwagę wybierając pompę ciepła - mówi dr inż. Małgorzata Smuczyńska, menedżer ds. marki NIBE /NIBE Brand Manager
Czy pompy ciepła do c.w.u. mogą pracować tylko wykorzystując powietrze pobierane z wnętrza budynku?
Czy pompy ciepła do c.w.u. mogą pracować tylko wykorzystując powietrze pobierane z wnętrza budynku?
Odpowiedź eksperta: Pompy ciepła dostępne na rynku mogą pracować w różnym zakresie temperatur powietrza. Duża część z nich pracuje w zakresie temperatur dodatnich, co oznacza, że nie jest możliwa ich eksploatacja przez cały rok, ponieważ istnieje graniczna temperatura powodująca zatrzymanie.
Jakie pompy ciepła są zalecane do produkcji c.w.u. i dlaczego?
Jakie pompy ciepła są zalecane do produkcji c.w.u. i dlaczego?
Odpowiedź eksperta: Pompy ciepła c.w.u. to wszechstronne urządzenia do przygotowania ciepłej wody użytkowej (c.w.u). Wykorzystują do tego celu energię cieplną z powietrza, co stanowi większość energii potrzebnej do jej pracy.
Kiedy wybrać kolektor poziomy jako dolne źródło pompy ciepła?
Kiedy wybrać kolektor poziomy jako dolne źródło pompy ciepła?
Poziomy gruntowy wymiennik ciepła, możemy wykonać w sytuacji, gdy w pobliżu budynku dysponujemy dużą niezabudowaną powierzchnią działki.
Jak dobrać zbiornik buforowy do pompy ciepła?
Jak dobrać zbiornik buforowy do pompy ciepła?
Jak dobrać zbiornik buforowy do pompy ciepła? Będę instalował pompę typu powietrze/woda i chciałbym korzystać głównie z tańszej taryfy nocnej za prąd. Pompa ma moc 9 kW, a dom o powierzchni 120 m2 w całości ogrzewany jest w systemie podłogowym.
Jak dobrać moc pompy ciepła w starym budynku, poddawanym termomodernizacji?
Jak dobrać moc pompy ciepła w starym budynku, poddawanym termomodernizacji?
W budynkach poddawanych termomodernizacji zazwyczaj mamy do czynienia z istniejącą instalacją rozprowadzającą ciepło oraz z istniejącym źródłem ciepła.
Jaka jest wyższość pompy ciepła nad innymi systemami grzewczymi?
Jaka jest wyższość pompy ciepła nad innymi systemami grzewczymi?
Odpowiedź eksperta: Pompa ciepła jest jednym z najbardziej efektywnych urządzeń do ogrzewania budynków. Przy bardzo niskich kosztach eksploatacyjnych posiada możliwość wyprodukowania ciepłej wody do ogrzewania powierzchni mieszkalnej i podgrzania ciepłej wody użytkowej. Urządzenie działa w pełni automatycznie i nie wymaga stałej obsługi oraz nadzoru. Ale to nie wszystkie możliwości jakie oferuje ten produkt.
Jaką rolę odgrywa układ hydrauliczny w pompie ciepła?
Jaką rolę odgrywa układ hydrauliczny w pompie ciepła?
Odpowiedź eksperta: Pompy ciepła nie powinno się traktować jako urządzenia do ogrzewania budynku, lecz jako system ogrzewania, którego składową jest hydraulika. To właśnie hydraulika jest odpowiedzialna za przeniesienie na system grzewczy budynku mocy grzewczej wyprodukowanej przez pompę ciepła.
Dom wybudowany w latach 90. Czy mogę zainstalować powietrzną pompę ciepła?
Dom wybudowany w latach 90. Czy mogę zainstalować powietrzną pompę ciepła?
W budynku stawianym w latach 90. chciałbym zmienić sposób ogrzewania, gdyż dotychczas używany kocioł na węgiel jest zbyt uciążliwy w obsłudze, zadymia też otoczenie. Nie mam co liczyć na doprowadzenie w moją okolicę sieci gazowej, dlatego zastanawiam się nad zainstalowaniem powietrznej pompy ciepła. Czy takie rozwiązanie jest możliwe w połączeniu z istniejącymi grzejnikami i czym kierować się przy doborze pompy ciepła?
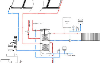
Instalacja powietrznej pompy ciepła z istniejącym kotłem olejowym
Instalacja powietrznej pompy ciepła z istniejącym kotłem olejowym
Przedstawiamy przykładowy schemat instalacji powietrznej pompy ciepła z istniejącym kotłem olejowym jako szczytowe źródło grzewcze. Powietrzna pompa ciepła umożliwia w tym przypadku obniżenie kosztów ogrzewania do 60% przy jednocześnie niskim koszcie instalacji. 
Jak doprowadzić powietrze do pompy ciepła?
Jak doprowadzić powietrze do pompy ciepła?
Jak najlepiej doprowadzić powietrze do pompy ciepła? Czy kolektor poziomy można zastosować pod budynkiem w warstwie piasku stabilizowanego pod posadzką parteru? Doprowadzenie powietrza z czerpni tuż przy budynku. 
Pompa ciepła: Jak ograniczyć zapotrzebowanie na ciepło?
Pompa ciepła: Jak ograniczyć zapotrzebowanie na ciepło?
Mamy cztery podstawowe możliwości, by ograniczyć zapotrzebowanie na ciepło w domu z pompą ciepła.
Pompa ciepła: Dlaczego ważne są straty ciepła na 1 m2, a nie całkowite?
Pompa ciepła: Dlaczego ważne są straty ciepła na 1 m2, a nie całkowite?
Odpowiedź eksperta: Całkowita strata ciepła budynku mówi nam tylko o tym, jaka jest wymagana moc grzewcza pompy ciepła. Nie wiemy zaś, do jakiej temperatury pompa będzie musiała podgrzewać wodę w obiegu c.o. A właśnie od tego parametru w dużej mierze zależy sprawność pompy (wyrażona współczynnikiem COP) i koszty eksploatacji.
Czy kolektor poziomy, okresowo może znajdować się w wodzie gruntowej?
Czy kolektor poziomy, okresowo może znajdować się w wodzie gruntowej?
Czy można ułożyć kolektor poziomy od pompy ciepła na działce jeżeli woda znajduje się ok 1m p.p.t., czyli kolektor okresowo może znajdować się w wodzie gruntowej?
Jaki wybrać materiał dolnego źródła ciepła, by praca pompy ciepła była bezawaryjna?
Jaki wybrać materiał dolnego źródła ciepła, by praca pompy ciepła była bezawaryjna?
Odpowiedź eksperta: Do najprostszych zastosowań w geotermii (wyłącznie opcja grzania, bez regeneracji gruntu nadwyżką ciepła z kolektorów słonecznych latem) i w przypadku niewielkiej głębokości wykopu, można zastosować sondy i kolektory geotermalne wykonane z PE 100, pod warunkiem zapewnienia prawidłowego wypełnienia wykopu.
Pompa ciepła: Co to jest system biwalentny?
Pompa ciepła: Co to jest system biwalentny?
Odpowiedź eksperta: Nazywamy tak instalację grzewczą, w której poza pompą ciepła jest także tradycyjne źródło ciepła – kocioł grzewczy, grzałki elektryczne itp. W takiej instalacji wystarczy pompa ciepła o mniejszej mocy i oczywiście mniejsze (i tańsze) źródło dolne.
Pompa ciepła: Jakie rury wykorzystuje się do budowy kolektorów gruntowych i sond pionowych?
Pompa ciepła: Jakie rury wykorzystuje się do budowy kolektorów gruntowych i sond pionowych?
Odpowiedź eksperta: By instalacja po stronie dolnego źródła działała prawidłowo, kolektor musi odbierać wystarczająco dużo ciepła z gruntu. W związku z tym przez rury musi przepływać określona objętość solanki.
Pompa ciepła: Jak gęsto powinny być ułożone rury kolektora poziomego?
Pompa ciepła: Jak gęsto powinny być ułożone rury kolektora poziomego?
Odpowiedź eksperta: Właściwy odstęp wynosi około 1 m. W gruntach bardzo wilgotnych można go zmniejszyć do 80 cm, a jeśli grunt jest stale nasączony wodą, nawet 60–70 cm.
Czy do wykonania instalacji źródła dolnego potrzebne jest pozwolenie na budowę?
Czy do wykonania instalacji źródła dolnego potrzebne jest pozwolenie na budowę?
Odpowiedź eksperta: Bardzo często wykonuje się związane z tym prace bez żadnych zezwoleń albo jedynie wysyła się zgłoszenie do starostwa powiatowego. Jednak przynajmniej część prawników jest zdania, że wykonanie kolektorów poziomych, sond pionowych oraz studni czerpnych i zrzutowych wymaga wykonania projektu i uzyskania pozwolenia na budowę.
Czy źródło dolne pompy ciepła może się wyczerpać?
Czy źródło dolne pompy ciepła może się wyczerpać?
Odpowiedź eksperta: Niestety, może i wcale nie jest to rzadkością. Niewydolne dolne źródło jest najczęstszą przyczyną problemów w instalacjach z pompami ciepła.
Jaka jest temperatura dolnego źródła w pompie ciepła?
Jaka jest temperatura dolnego źródła w pompie ciepła?
Odpowiedź eksperta: Do celów projektowych najczęściej przyjmuje się, że temperatura źródła dolnego wynosi:
Jak odbiera się ciepło ze źródła dolnego w pompie ciepła?
Jak odbiera się ciepło ze źródła dolnego w pompie ciepła?
Gruntowy kolektor poziomy to zakopane na głębokości 1–2 m wężownice z rur wypełnionych płynem niezamarzającym, popularnie nazywanym „solanką”, choć w rzeczywistości to wodny roztwór glikolu etylowego lub propylowego.
Od czego zależy COP pompy ciepła i czy można go jakoś poprawić?
Od czego zależy COP pompy ciepła i czy można go jakoś poprawić?
Odpowiedź eksperta: Podstawowy, i niestety niezależny od nas czynnik, to tzw. wewnętrzna sprawność pompy ciepła. Najogólniej mówiąc to „jakość energetyczna” samego urządzenia, wynikająca, np. ze sprawności silnika sprężarki.
Jaki wpływ na środowisko ma pompa ciepła?
Jaki wpływ na środowisko ma pompa ciepła?
Odpowiedź eksperta: W polskich warunkach niestety nie tak korzystny, jak mógłby być. W naszym kraju energia elektryczna pochodzi głównie z elektrowni węglowych, a z powodu ich niskiej sprawności i strat powodowanych przez przesył 1 kWh energii wykorzystanej przez odbiorcę oznacza 3 kWh energii zawartej w paliwie spalonym przez elektrownię.
Czy instalować pompę ciepła w domu o dużych stratach ciepła?
Czy instalować pompę ciepła w domu o dużych stratach ciepła?
Odpowiedź eksperta: To tak naprawdę dwa pytania. Straty ciepła, w liczbach bezwzględnych, mogą być duże z powodu dużej powierzchni domu, a nie słabej jakości jego termoizolacji. Wówczas pompa ciepła jest jak najbardziej godna polecenia.
Jak dobierać pompę ciepła do budynku o lekkiej konstrukcji?
Jak dobierać pompę ciepła do budynku o lekkiej konstrukcji?
Odpowiedź eksperta: Dobierając pompę ciepła do budynku należy pamiętać, że pracuje ona najlepiej - i w sposób najbardziej ekonomiczny – z ogrzewaniem niskotemperaturowym.
Na które cechy pompy ciepła zwracać uwagę podczas jej wyboru?
Na które cechy pompy ciepła zwracać uwagę podczas jej wyboru?
Odpowiedź eksperta: Pompa ciepła to kosztowne urządzenie, dlatego tym bardziej trzeba wybrać mądrze. Nie warto kierować się tylko ceną, czasem droższe urządzenie będzie trwalsze, a koszty działania instalacji niższe, różnica w cenie zwróci się więc z nawiązką.
Czy pompa ciepła będzie współpracować z tradycyjnymi grzejnikami?
Czy pompa ciepła będzie współpracować z tradycyjnymi grzejnikami?
Mamy dom o powierzchni 180 m2 ogrzewany kotłem węglowym. Czasem nie ma nikogo w domu przez kilka dni i wtedy pojawiają się problemy z utrzymaniem odpowiedniej temperatury, mino że kocioł ma automatyczny podajnik. Okazało się też, że obsługa kotła jest dość uciążliwa, myślimy więc o zmianie systemu ogrzewania. Chcielibyśmy zamontować pompę ciepła, ale mamy wątpliwości, czy będzie współpracować z tradycyjnymi grzejnikami?
Czy pompa ciepła wymaga konserwacji i na czym prace te polegają?
Czy pompa ciepła wymaga konserwacji i na czym prace te polegają?
Odpowiedź eksperta: pompa ciepła jak każde urządzenie grzewcze wymaga obsługi serwisowej, jednak nie tak częstej i nie w tak szerokim zakresie jak kocioł. Najważniejszym czynnikiem, na który należy zwrócić uwagę podczas przeglądów jest sprawdzenie odpowiedniego przepływ po obu stronach układu.
Czy pompa ciepła musi wykorzystywać energię elektryczną?
Czy pompa ciepła musi wykorzystywać energię elektryczną?
Odpowiedź eksperta: Niekoniecznie. Istnieją absorpcyjne pompy ciepła wykorzystujące energię cieplną zamiast energii elektrycznej. Oczywiście urządzenia te potrzebują energii elektrycznej do zasilania elektronicznych urządzeń sterujących, ale jej zużycie jest porównywalne do zapotrzebowania na energię urządzeń AGD pracujących w trybie czuwania.
Czytaj tak, jak lubisz
W wersji cyfrowej lub papierowej
Moduł czytaj tak jak lubisz