Chłodzenie domu pompą ciepła NIBE

Chłodzenie domu pompą ciepła NIBE

Technologie stosowane w nowym energooszczędnym budownictwie, zwłaszcza poprawa izolacyjności przegród, znacznie obniżają potrzeby cieplne budynków. Z kolei udział zapotrzebowania na chłód w całorocznym bilansie energetycznym budynku stale rośnie. Przyczyną jest między innymi duża ilość przeszkleń, które w okresie letnim prowadzą do powstawania znacznych zysków cieplnych związanych ze zwiększonym nasłonecznieniem wnętrz. Pompa ciepła jest urządzeniem, które może zapewnić wnętrzom nie tylko ciepło w zimie, ale i chłód latem.

Pompy ciepła NIBE są jednym z elementów energooszczędnego i komfortowego systemu, który zapewnia ogrzewanie w okresie zimowym, chłodzenie w okresie letnim, a przez cały rok produkcję ciepłej wody użytkowej oraz kontrolowaną wentylację z odzyskiem energii. W szerokiej ofercie marki NIBE znajdują się pompy ciepła typu solanka/woda, powietrze/woda, powietrze/powietrze oraz pompy zasilane powietrzem wentylacyjnym, a także systemy wentylacji z rekuperacją oraz systemy fotowoltaiczne NIBE PV.

Pompa ciepła jest urządzeniem, która spełnia nie tylko funkcję ogrzewania, ale także chłodzenia. Obniżenie temperatury we wnętrzu możliwe jest dzięki wykorzystaniu naturalnego chłodu zawartego w gruncie lub wodzie (chłodzenie pasywne - możliwe tylko przy pompach gruntowych), lub poprzez odwrócenie obiegu chłodniczego pompy ciepła (chłodzenie aktywne - realizowane przez pompy powietrzne oraz gruntowe).

Naturalny magazyn chłodu - grunt

W okresie letnim temperatura wód gruntowych i gruntu jest znacznie niższa niż temperatura otoczenia. Na głębokości około 15 metrów temperatura utrzymuje się na poziomie 10÷12 oC. Wykorzystanie zawartego w gruncie chłodu możliwe jest dzięki procesowi chłodzenia pasywnego (naturalnego), który realizowany jest przez gruntowe pompy ciepła typu solanka-woda lub woda-woda. Przykładem może być kompaktowa pompa ciepła NIBE F1245 PC z wbudowaną funkcją chłodzenia aktywnego, ale także zastosowanie modułu pasywnego chłodzenia np. NIBE PCM jako wyposażenia dodatkowego.

Jak sugeruje sama nazwa, "pasywne chłodzenie" zapewnia chłodzenie budynku bez użycia sprężarki, przy wykorzystaniu procesu wymiany ciepła. Pompa obiegowa dolnego źródła transportuje chłodną solankę do wymiennika ciepła. Obieg wody grzewczej natomiast dostarcza do wymiennika wodę ogrzaną do temperatury panującej w pomieszczeniach. Ciepło przekazywane jest do solanki, a schłodzona woda grzewcza daje możliwość dalszego odbierania ciepła z pomieszczeń. Jeśli jako dolne źródło ciepła służy nam grunt, zaleca się instalację pionowych gruntowych wymienników ciepła, ponieważ przy wymiennikach poziomych okres użytkowania chłodzenia może skrócić się nawet o połowę.

Chłodzenie pompą ciepła w trybie pasywnym realizowane jest przy pomocy systemów powierzchniowych tj. instalacja podłogowa, ścienna, sufitowa lub z klimakonwektorami. Dzięki takiemu rozwiązaniu, przy okazji produkcji ciepłej wody użytkowej, która potrzebna jest niezależnie od pory roku, zapewniamy sobie formę klimatyzacji.

Zastosowanie chłodzenia pasywnego jest nawet pięciokrotnie bardziej energooszczędne niż zastosowanie klimatyzatorów, gdzie oprócz prądu do napędu pompy obiegowej wykorzystuje się również (i ponosi koszty!) prąd do napędu sprężarki, która umożliwia produkcję chłodu.

Dodatkowym atutem naturalnego chłodzenia jest możliwość regeneracji dolnego źródła. Wykorzystując zawarty w gruncie chłód, jednocześnie oddajemy naturze ciepło z budynku, regenerując go po okresie eksploatacji. Należy jednak pamiętać, że w przypadku płaszczyznowej instalacji możliwy do osiągnięcia efekt chłodzenia wynosi około 10°C, np. zakładając temperaturę zewnętrzną 30°C i 20°C wewnątrz budynku. Nie można bowiem przekroczyć tzw. "punktu rosy", czyli temperatury, przy której wilgoć zawarta w powietrzu zacznie kondensować się na powierzchni grzewczej. Temperatura zasilania nie powinna być więc niższa niż 18°C. Efektywność pasywnego chłodzenia pomieszczeń zależy również od wielkości dolnego źródła ciepła, jego temperatury oraz momentu wykorzystania.

Chłodzenie pasywne realizowane przez gruntową pompę ciepła NIBE
Rys. 1 Chłodzenie pasywne realizowane przez gruntową pompę ciepła NIBE

Efektywne chłodzenie aktywne

Chłodzenie aktywne może być realizowane przy pompach ciepła pobierających ciepło z gruntu, wody gruntowej, a także powietrza atmosferycznego. Układy tego typu umożliwiają dostosowywanie wydajności chłodzenia oraz osiąganie zadanych temperatur w pomieszczeniach. Budynek staje się wówczas dolnym źródłem ciepła dla pompy, a dotychczasowe dolne źródło zmienia się w górne źródło. Proces ten opiera się na odwróceniu obiegu czynnika chłodniczego przy jednoczesnym zachowaniu niezmiennego kierunku tłoczenia sprężarki. W konsekwencji parownik zaczyna pełnić funkcję skraplacza, a skraplacz parownika. Chłód przekazywany jest do pomieszczeń za pomocą np. klimakonwektorów.

Większość oferowanych na rynku powietrznych pomp ciepła, ma możliwość odwrócenia obiegu chłodniczego i realizacji funkcji chłodzenia aktywnego, np. NIBE SPLIT. Jest to urządzenie typu powietrze/woda składające się z jednostki zewnętrznej i wewnętrznej, które utrzymuje komfort cieplny w budynku przez cały rok. Zimą grzeje, a latem chłodzi powietrze w pomieszczeniach, a ciepłą wodę zapewnia każdego dnia. Zestaw BASIC SPLIT, przeznaczony wyłącznie do ogrzewania i chłodzenia budynku, można kupić już od 14 850 zł netto, a zestaw COMPACT SPLIT zapewniający ogrzewanie, chłodzenie i ciepłą wodę użytkową jest dostępny w cenie od 21 500 zł.

Chłodzenie aktywne realizowane przez powietrzną pompę ciepła NIBE SPLIT
Rys. 2 Chłodzenie aktywne realizowane przez powietrzną pompę ciepła NIBE SPLIT

Jeden system - dwa rozwiązania

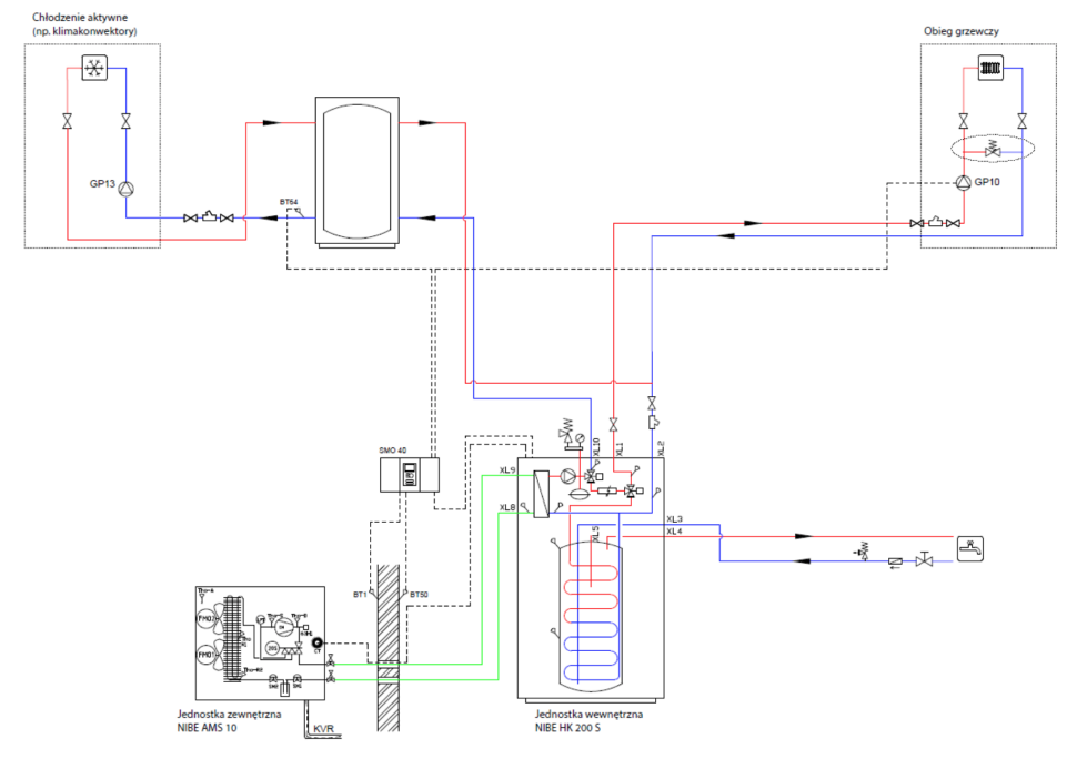
Optymalnym rozwiązaniem jest wybór pompy ciepła, która może pracować w trybie chłodzenia aktywnego, ale także pasywnego. Jeśli wydajność chłodzenia pasywnego stanie się niewystarczająca, wówczas pompa ciepła automatycznie uruchomi chłodzenie aktywne, dostarczając do budynku pożądaną ilość chłodu. Przykładem może być kompaktowa gruntowa pompa ciepła NIBE F1245 w połączeniu z modułem aktywnego chłodzenia NIBE HPAC podłączona do systemu z klimakonwektorami. Moduł ten stanowi zespół zaworów trójdrogowych, które odwracają obieg i umożliwiają rewersyjną pracę pompy ciepła.

Zimą, gdy występuje zapotrzebowanie na ogrzewanie budynku, ciepło zostaje dostarczone przez klimakonwektory w standardowym procesie sprężarkowego obiegu chłodniczego. Natomiast w sezonie letnim, zimny czynnik kolektora gruntowego (glikol) przepływa przez moduł HPAC i pompę ciepła do klimakonwektorów, chłodząc pasywnie pomieszczenia bez udziału sprężarki. Jednak, jeśli zajdzie sytuacja, iż produkcja chłodu w systemie pasywnym nie będzie wystarczająca, wtedy automatyka pompy ciepła uruchomi sprężarkę, która aktywnie schłodzi budynek do zadanej temperatury (aż do 7°C na zasilaniu systemu grzewczego).

Chłodzenie aktywne realizowane przez gruntową pompę ciepła NIBE wyposażoną w moduł NIBE HPAC
Rys. 3 Chłodzenie aktywne realizowane przez gruntową pompę ciepła NIBE wyposażoną w moduł NIBE HPAC

Nibe-Biawar

Komentarze

Gość nnn
25-06-2022 11:45
Eksploatuje pompę Nibe 1245 PC od 2 lat, zastosowanie możliwości chłodzenia pasywnego domu- genialne w swej prostocie i praktycznie bezkoszkowe. Pobór mocy przez pompki to ok 60W czyli 4gr/godz :)
Wiecej na Forum BudujemyDom.pl
Najnowsze artykuły
Czytaj tak, jak lubisz
W wersji cyfrowej lub papierowej
Moduł czytaj tak jak lubisz