Wszędzie tam, gdzie zachodzi potrzeba włączenia światła w jednym miejscu, a wyłączenia w innym, przydatnym rozwiązaniem jest montaż włącznika krzyżowego. Choć najczęściej kojarzony jest z klatką schodową, ułatwia sterowanie oświetleniem także w długich ciągach pieszych, w dużych salonach, czy w mieszkaniach kilkupoziomowych. Jak go zamontować?
Łącznik/włącznik krzyżowy
Obie nazwy funkcjonują równolegle. W rzeczywistości to rodzaj łącznika elektrycznego, służącego do sterowania oświetleniem i montowanego jako element instalacji pomiędzy łącznikami, np. schodowymi. Na rynku znaleźć można szereg tego typu łączników. Naszą instrukcję opieramy na wysokiej jakości łącznikach z serii Impresja, As i Sonata firmy Ospel.
Co istotne, włącznik krzyżowy jest czymś innym niż włącznik schodowy. Nie działa samodzielnie, a jedynie jako część całego systemu łączników schodowych.
Co do zasady wygląda to w ten sposób, że jeśli w ciągu komunikacyjnym (np. na schodach, czy w korytarzu) montowany jest włącznik krzyżowy, to na początku i końcu instalacji muszą być zamontowane łączniki schodowe. Natomiast jeśli w instalacji konieczne jest więcej łączników, np. na klatce schodowej w budynku wielopoziomowym, wówczas montuje się właśnie dodatkowy włącznik krzyżowy.
Sposób montażu łącznika krzyżowego
Łącząc wyłącznik krzyżowy ze schodowym, należy właściwe przewody przechodzące przez łącznik krzyżowy podpiąć od jednego do drugiego włącznika schodowego - oba znajdują się po dwóch stronach, na końcach instalacji. W zasadzie pomiędzy łącznikami schodowymi można zamontować dowolną ilość łączników schodowych krzyżowych.
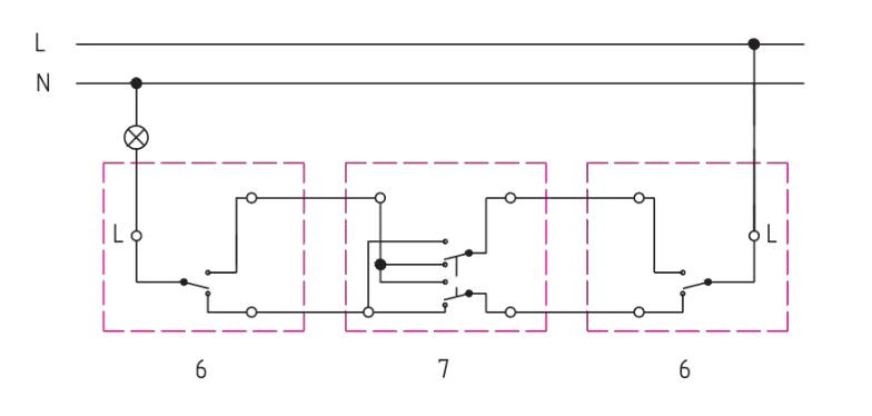
Zwykle do łącznika krzyżowego dołączona jest instrukcja lub rysunek. Widnieją na nich symbole dwóch strzałek. Jedna z nich skierowana jest do wewnątrz - tak oznaczone jest połączenie przewodu zasilającego. Natomiast strzałka skierowana na zewnątrz oznacza wyjście z wyłącznika.
W instrukcji znajdują się symbole kolorów przewodów. Zwykle kolorem niebieskim oznaczony jest przewód neutralny, natomiast fazowy szarym, czarnym lub brązowym. Czerwone przewody to najczęściej przewody korespondencyjne pomiędzy łącznikami schodowymi a krzyżowym.
Aby zasilić instalację, do pierwszej puszki należy doprowadzić 3 przewody - ochronny, neutralny i liniowy fazowy. Z kolei pomiędzy łącznikami powinny być poprowadzone 4 przewody - przewód ochronny, neutralny i dwa przewody fazowe, nazywane korespondencyjnymi. Z ostatniej puszki do lampy wychodzą 3 przewody - przewód ochronny, neutralny i fazowy.
Należy połączyć przewody ochronne i neutralne ze sobą, a następnie umieścić je w puszkach. W kolejnym kroku należy połączyć pierwszy włącznik schodowy od strony zasilania całego układu. Do zacisku z czerwonym oznaczeniem podłączamy przewód fazowy zasilania.
Z tyłu włącznika znajduje się specjalny wzornik informujący o długości zdjęcia izolacji z przewodów. W każdym z zacisków bezgwintowych znajdują się po 2 otwory montażowe. Przewód łączymy wciskając go w zacisk.
Dwa przewody brązowy i czarny (przewody korespondencyjne) łączymy do dwóch pozostałych zacisków. Kolejność nie ma tu znaczenia. W przewodach tych faza będzie raz w jednym, a po przełączeniu łącznikiem w drugim przewodzie.
Do dwóch zacisków oznaczonych kolorem zielonym podłączamy przewody biegnące z pierwszej puszki.

Dwa przewody do trzeciej puszki przyłączamy do pozostałych dwóch zacisków. W ostatniej puszce montujemy kolejny łącznik schodowy. Dwa przewody brązowy i czarny ze środkowej puszki łączymy do dwóch zacisków z dźwignią w kolorze białym.
Przewód brązowy, zasilający lampę przyłączamy do zacisku w kolorze czerwonym. Wkładamy mechanizmy łączników do puszek i mocujemy je. Następnie zakładamy klawisze i ramki.
Autor: Damian Żabicki
Opracowanie: Aleksander Rembisz
Zdjęcia: Ospel S.A.