Ogrzewanie hybrydowe z Hewalex INTEGRA

Ogrzewanie hybrydowe to w ostatnich latach coraz popularniejsze rozwiązanie stosowane także w budynkach jednorodzinnych. Nazwa "hybrydowe" stosowana jest częściej w ostatnim czasie, jednak tego typu systemy znane są od wielu lat. Za hybrydowy uznaje się system korzystający z co najmniej dwóch rodzajów paliwa lub energii. Tak więc system grzewczy oparty np. na kotle gazowym i stałopalnym można już określać tą nazwą. Nazwa "hybrydowy" kojarzy się jednak z nowoczesnością i systemami wykorzystującymi energię odnawialną. Stąd też w pełni na to miano powinny zasługiwać rozwiązanie oparte o kolektory słoneczne, czy też pompy ciepła.

Ogrzewanie hybrydowe z Hewalex INTEGRA
Hewalex Technika solarna, pompy ciepła, fotowoltaika, podgrzewacze i wymienniki ciepła, klimakonwektory
Dane kontaktowe:
32 214 17 10, infolinia 801 000 810
Słowackiego 33 43-502 Czechowice-Dziedzice

PokażUkryj szczegółowe informacje o firmie

Ogrzewanie hybrydowe z Hewalex INTEGRA

Zapotrzebowanie ciepła na cele grzewcze stanowi największą część rocznego bilansu energetycznego w domu mieszkalnym - zazwyczaj jest to od 60 do 80%. Ogrzewanie hybrydowe może wykorzystywać energię słoneczną zarówno do podgrzewania wody użytkowej, jak i wspomagania ogrzewania budynku.

Zalety systemów hybrydowych

Korzyści z zastosowania takiego rozwiązania związane są m.in. ze zwiększonym poziomem bezpieczeństwa i komfortu na przykład w razie awarii jednego ze źródeł ciepła. Możliwa jest także rozbudowa istniejącego systemu grzewczego, gdzie podstawowe źródło ciepła (np. kocioł na gaz płynny) pozostaje jako szczytowe, a dołączona pompa ciepła typu powietrze/woda przejmuje pracę przez większość sezonu grzewczego.

W systemie hybrydowym dąży się do tego, aby w określonych warunkach pracę podejmowało to źródło ciepła, które zapewni najniższe koszty wytworzenia ciepła. Dlatego też pompa ciepła pracuje np. do temperatury zewnętrznej -10°C, po czym pracę przejmuje kocioł gazowy.

Centralny punkt systemu hybrydowego

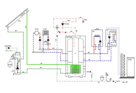
Firma Hewalex na bazie swoich doświadczeń opracowała specjalną konstrukcję podgrzewacza uniwersalnego INTEGRA. Podgrzewacz o konstrukcji "zbiornik w zbiorniku" zapewnia 2-funkcyjną pracę instalacji solarnej - podgrzewanie wody użytkowej i wspomaganie ogrzewania. Dzięki podziałowi na strefy możliwa jest współpraca źródeł ciepła nisko- i wysokotemperaturowych.

Wewnętrzny zbiornik wody użytkowej zasilany od dołu wodą wodociągową zapewnia intensywne schładzanie dolnej strefy i efektywną pracę instalacji solarnej. Włącznie z opcjonalną grzałką elektryczną dla podgrzewania wody użytkowej, do podgrzewacza można podłączyć nawet 5 różnych źródeł ciepła. Przekrój podgrzewacza uniwersalnego Hewalex INTEGRA z zaznaczeniem stref temperaturowych. Dolna strefa podgrzewana jest poprzez wężownicę z instalacji solarnej, a także z kotła na paliwo stałe. Strefa środkowa stanowi strefę roboczą zasilaną najczęściej z kotła gazowego, z tej samej strefy zasilana jest instalacja grzewcza budynku. Górna strefa stanowi rezerwę ciepła dla podgrzewania wody użytkowej. Strefa ta może być opcjonalnie dogrzewana grzałką elektryczną, pozwalając poza sezonem grzewczym na całkowite wyłączenie z pracy kotła na paliwo stałe.

Instalacje solarne do wspomagania ogrzewania wykazywać mogą korzystniejszy efekt ekonomiczny (im większa powierzchnia kolektorów słonecznych, tym niższy koszt jednostkowy inwestycji) w porównaniu do standardowych układów przewidzianych tylko do podgrzewania wody użytkowej.

Zastosowanie wysokosprawnego hybrydowego systemu grzewczego pozwala trwale zmniejszyć obciążenie budżetu domowego. Obecny stan techniki pozwala budować tzw. "solarne" domy jednorodzinne, gdzie pokrycie potrzeb energetycznych osiąga 80 do 100%. Częściej jednak praktyczne zastosowanie znajdują instalacje solarne pokrywające maksymalnie od 20 do 40% rocznych potrzeb ciepła. Ogrzewanie hybrydowe z Hewalex INTEGRA Przykładowy schemat hybrydowego systemu grzewczego z podgrzewaczem uniwersalnym INTEGRA i 3 źródłami ciepła: kotłem gazowym (KG), pompą ciepła Split (PCCO) oraz instalacją solarną (SOL).

Instalacje solarne do wspomagania ogrzewania stają się coraz bardziej popularne na rynku polskim, zwiększając możliwości wykorzystania darmowej energii. Co ważne podkreślenia - są one niezależne od sieci przesyłowych, pozwalają na dogodne magazynowanie ciepła i wpływają na lokalną poprawę jakości powietrza.

Więcej informacji na stronie firmy - link tutaj.

źródło i zdjęcia: Hewalex