Co to jest bezpiecznik topikowy? Budowa, działanie i zastosowanie

Co to jest bezpiecznik topikowy? Budowa, działanie i zastosowanie
Bezpieczniki topikowe (fot. Adobe Stock)

Bezpiecznik topikowy to jeden z najczęściej stosowanych elementów do zabezpieczania instalacji elektrycznych przed przeciążeniami i zwarciami. Instalacji domowych, a jeszcze częściej przemysłowych oraz sieci energetycznych. Niewielki gabarytami, o bardzo prostej konstrukcji i zasadzie działania, nie jest wprawdzie panaceum na wszystkie zakłócenia i zaniedbania, ale w sposób diametralny ogranicza ich negatywne konsekwencje. Bezpiecznik topikowy, pomimo wzrostu popularności automatycznych zabezpieczeń nadprądowych, jest nadal stosowany ze względu na swoje parametry elektryczne, niezawodność, prostą budowę i niską cenę.

Skąd się wzięły bezpieczniki topikowe?

Już pierwsi badacze zajmujący się elektrycznością i jej praktycznym wykorzystaniem nie mieli wątpliwości, że w urządzeniach czy też instalacjach elektrycznych, będą zdarzały się zakłócenia i przeróżne awarie. Ich powodem może być nie tylko błąd człowieka czy wada użytego materiału, ale nawet zdarzenie losowe, którego nie sposób przewidzieć. W dodatku, niezależnie od przyczyn, skutki takiego zdarzenia mogą mieć katastrofalne następstwa. Zarówno w zakresie wielkości strat materialnych, jak też zdrowia i życia ludzi. Należałoby więc spróbować te skutki jakoś kontrolować i przynajmniej ograniczyć, skoro samym zdarzeniom w pełni zapobiec się nie da, nie wiadomo tylko kiedy one nastąpią.

Wymyślono wtedy rzecz genialnie prostą. Skoro wystąpienie awarii jest tylko kwestią czasu, a najpoważniejsze i bardzo niebezpieczne skutki są powodowane przez przeciążenia oraz zwarcia w instalacji, powodujące stopienie się żył przewodów zasilających, spalenie ich izolacji, oraz uszkodzenie zasilanego urządzenia, to zróbmy w instalacji takie najsłabsze miejsce, taki wydzielony punkt, który możemy kontrolować, żeby tylko w tym miejscu duży prąd zwarciowy wytopił fragment przewodu i tym samym stworzył przerwę wyłączającą prąd w reszcie obwodu, zapobiegając dalszym zniszczeniom.

Jako pierwszy ideę takiego działania w obwodach elektrycznych opisał pod koniec XVIII wieku Edward Nairne brytyjski konstruktor i filozof naturalista, ale to Thomas Edison w roku 1880 opatentował pierwszy bezpiecznik topikowy - najpowszechniejsze zabezpieczenie wszelkich obwodów elektrycznych aż do końca XX wieku, a i obecnie wciąż mający szereg zastosowań w przemyśle i energetyce, chociaż w domowych instalacji elektrycznych wykorzystywany w coraz mniejszym stopniu.

A szkoda, bo ma cechy bardzo przydatne w szeregu zabezpieczeń. Ale i jedną zasadniczą wadę, powodującą że jest nielubiany nie tylko przez zwykłych użytkowników ale i przez dystrybutorów energii elektrycznej. Otóż wkładki topikowe w bezpiecznikach są jednorazowe. Tak więc po zadziałaniu ktoś musi wymienić je na nowe. Dlatego też energetyka rękami i nogami broni się przed umieszczaniem bezpieczników topikowych w swojej części przyłączy oraz instalacji zasilających nasze mieszkania i domy. Dla własnej wygody. Natomiast nie ma nic przeciwko ich stosowaniu w tych częściach instalacji elektrycznej, które obsługuje ktoś inny, gdyż dobrze zna zalety topików. No cóż…

Normy europejskie regulujące parametry bezpieczników topikowych

Wszelkie kwestie dotyczące bezpieczników topikowych na obszarze krajów europejskich reguluje współcześnie zbiór norm IEC 60269 (a w Polsce PN-EN 60269). Składa się on z czterech tomów, które opisują wymagania ogólne jak i szczegółowe parametry dotyczące bezpieczników niskonapięciowych zarówno dla zastosowań domowych, jak też komercyjnych, przemysłowych, oraz bezpieczniki do ochrony urządzeń półprzewodnikowych (o ultraszybkim działaniu). Norma IEC ujednolica szereg norm krajowych, poprawiając w ten sposób wymienność bezpieczników w handlu międzynarodowym. W ten sposób dzisiejsze bezpieczniki różnych technologii i różnych producentów będą miały podobne charakterystyki czasowo-prądowe, co umożliwia ich zastępowalność oraz wymienność. Mówiąc potocznie, dzisiaj mamy pewność, że bezpieczniki o takich samych oznaczeniach pochodzące z różnych krajów europejskich będą miały takie same parametry elektryczne, a to doskonale ułatwia nam samo wykonawstwo instalacji elektrycznych, jak też ich konserwację i remonty.

Budowa bezpiecznika topikowego - jakie są jego najważniejsze elementy?

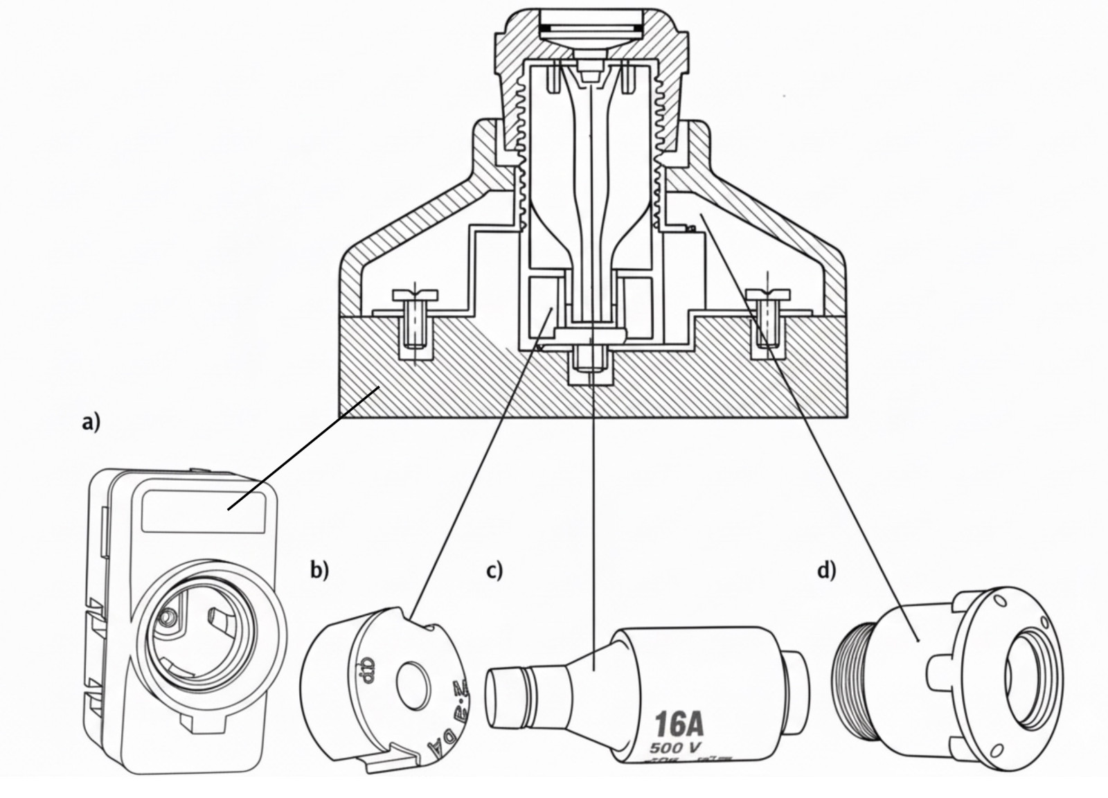
Poznajmy zatem jego definicję. Bezpiecznik topikowy jest specjalnym aparatem elektrycznym, w którym pod wpływem przepływającego prądu, przekraczającego ściśle określoną wartość w odpowiednio dobranym czasie, następuje stopienie się jednego (lub więcej) specjalnie skonstruowanych i dobranych drutów topikowych (czyli inaczej topików), a więc tworzenie przerwy w zabezpieczanym obwodzie i w efekcie całkowite wyłączenie w tym obwodzie prądu. Bezpiecznikiem topikowym jest zestaw części tworzących kompletny aparat. Najważniejsze z nich to: gniazdo bezpiecznikowe (albo podstawa bezpiecznikowa), wstawka kalibrująca (stosowane są też nazwy wstawka dolna, wstawka ograniczająca, ogranicznik), wkładka topikowa i główka bezpiecznikowa.

Bezpiecznik topikowy typu D, części składowe: a) gniazdo bezpiecznikowe, b) wstawka kalibrująca, c) wkładka topikowa, d) główka bezpiecznikowa.
Bezpiecznik topikowy typu D, części składowe: a) gniazdo bezpiecznikowe, b) wstawka kalibrująca, c) wkładka topikowa, d) główka bezpiecznikowa. (Źródło: K. Trzebiatowski, www.elektro.info.pl)

Poznanie budowy poszczególnych elementów oraz zasad ich oznaczania jest istotne, gdyż niosą one szereg informacji o bieżącym stanie instalacji, w której je zastosowano. A doświadczonej osobie często wystarcza tylko jedno spojrzenie na bezpiecznik, aby te informacje pozyskać.

Gniazdo bezpiecznikowe albo inaczej podstawa bezpiecznikowa stanowi bazę konstrukcyjną całego aparatu. Wykonane jest najczęściej z porcelany, albo tworzywa termoutwardzalnego o dobrych własnościach izolacyjnych (bakelit, duroplast). Najczęściej ma kształt zbliżony do prostopadłościanu z gwintowanym otworem w środku. Ten gwintowany, środkowy pierścień (albo gwintowana tuleja), przeznaczony do wkręcania główki bezpiecznikowej, wykonany jest przeważnie z mosiądzu i ma gwint E27, czyli gwint "żarówkowy" (albo gwint E33 w bezpiecznikach DIII). Pierścień środkowy ma metaliczne połączenie ze śrubowym zaciskiem przeznaczonym dla przewodu wyjściowego (powrotnego), czyli z wyjściem na zabezpieczany obwód.

Natomiast śrubowy zacisk wejściowy ma metaliczne przedłużenie z gwintowanym otworkiem, przeznaczonym do wkręcenia śruby wstawki kalibrującej.

Jest to zasada niesłychanie ważna i musi być ściśle przestrzegana! Powtórzę. Zasilanie fazowe podłączamy ZAWSZE do zacisku połączonego metalicznie ze wstawką dolną (kalibrującą)! Podłączenie zasilania na śrubowy zacisk pierścienia gwintowanego jest traktowane jako rażące naruszenie zasad bezpieczeństwa!

Zasada ta wynika z faktu, że bezpieczniki typu D, stosowane właśnie w instalacjach niskiego napięcia, w tym w instalacjach domowych, mogą być obsługiwane nawet przez osoby niewykwalifikowane. Gdyby więc zastosować odwrotne podłączenie zasilania (faza na gwincie), to po wykręceniu wkładki (np. do wymiany) cały gwintowany trzonek wkładki i metalowa tuleja w gnieździe pozostałyby pod napięciem, a to groziłoby śmiertelnym niebezpieczeństwem porażenia przy dotknięciu! Dlatego od reguły podłączania zasilania na wstawkę kalibrującą nie ma żadnych wyjątków. Inaczej nie wolno i koniec.

Wstawka kalibrująca (ograniczająca)

Wstawka ograniczająca, widok od dołu
Wstawka ograniczająca, widok od dołu (Źródło:. K. Trzebiatowski www.elektro.info.pl)
Wstawki ograniczające, widok z góry
Wstawki ograniczające, widok z góry (Źródło:. K. Trzebiatowski www.elektro.info.pl)

Wstawka ograniczająca jest elementem wykonanym z porcelany lub steatytu (biała lub kremowa ceramika). W dolnej części korpusu ma śrubę służącą do wkręcania całości w otworek wykonany w metalicznym przedłużeniu śrubowego zacisku wejściowego gniazda bezpiecznikowego. Przy czym korpus jest wykonany w takim kształcie, aby samo zakładanie wstawki do gniazda (albo jej wymiana) wymagało specjalnych narzędzi, w zasadzie niedostępnych dla osób niewykwalifikowanych. Chodzi tutaj o to, aby zapewnić niezamienialność wkładek topikowych w bezpieczniku podczas ich wymiany. Jak to się dzieje? Otóż wstawki kalibrujące mają wewnętrzny otwór o średnicy ściśle związanej z amperażem wkładki topikowej, której zastosowanie w danym obwodzie przewidział projektant instalacji. I wkładka topikowa o większej wartości prądu znamionowego po prostu nie zmieści się w danym otworze wstawki.

Poza tym wstawki mają górną powierzchnię oznakowaną stosownym kolorem, oraz dodatkowo nadrukowaną wielkość prądu znamionowego, co pozwala na natychmiastowe, wizualne kojarzenie wartości wkładki topikowej z ograniczeniem dokonywanym przez wstawkę. Bo kolory oznaczeń prądu znamionowego wkładek bezpiecznikowych i wstawek są takie same. A więc wniosek jest jednoznaczny. W bezpieczniku nie można zastosować wkładki topikowej o prądzie znamionowym większym niż ten oznakowany na wstawce. Oczywiście, można zastosować wkładkę topikową o prądzie znamionowym mniejszym, ale to przecież nie stanowi zagrożenia dla danego obwodu. Najwyżej zniszczymy samą wkładkę.

Wkładka topikowa (wkładka bezpiecznikowa)

Stanowi zdecydowanie najważniejszą, najbardziej istotną część bezpiecznika. Przyglądnijmy się zatem budowie jej najbardziej rozpowszechnionego modelu.

Schemat budowy wkładki bezpiecznikowej
Schemat budowy wkładki bezpiecznikowej. (Źródło www.pogotowie-elektryczne-wroclaw.pl)

Korpus wkładki wykonany jest najczęściej z porcelany i ma kształt pustego walca, do którego w jego górnej podstawie dołączono drugi, niski walec o mniejszej średnicy, a do podstawy dolnej dołączono odwrócony stożek ścięty. Na górną podstawę dodatkowego walca, oraz na powierzchnię ściętego wierzchołka stożka nasunięte są metalowe kołpaki, stanowiące styk górny i styk dolny. Oba te styki są ze sobą elektrycznie połączone dwoma metalicznymi przewodnikami.

Jednym z nich jest drut topikowy (topik), w postaci drucika albo wąskiej, metalowej taśmy, zamocowanej mechanicznie do obydwu kołpaków, o ściśle dobranej przewodności elektrycznej, którego zadaniem jest stopienie się i tym samym przerwanie połączenia pomiędzy stykami, jeśli płynący przez niego prąd przekroczy zaprojektowaną wielkość dopuszczalną. Tak jak wkładka jest najważniejszym elementem bezpiecznika, tak topik jest najważniejszą, roboczą częścią wkładki.

Wkładka topikowa, widok ogólny
Wkładka topikowa, widok ogólny

W centralnej części metalowego kołpaka stanowiącego styk górny znajduje się niewielkie wgłębienie, w którym mieści się kolorowe oczko wskaźnikowe, służące do wzrokowej kontroli zadziałania bezpiecznika. Jest ono zamocowane na druciku wskaźnikowym (oporowym), poprowadzonym niemal równolegle z topikiem do styku dolnego, do którego drucik wskaźnikowy jest mocowany. Natomiast pomiędzy oczkiem a powierzchnią styku górnego umieszcza się jeszcze niewielką sprężynkę, nanizaną na drucik wskaźnikowy. Wszystkie te elementy są tak dobrane, że jeśli topik ulegnie przerwaniu, to drucik wskaźnikowy (topik wskaźnikowy) natychmiast się przepala, a ściśnięta sprężynka zostaje uwolniona i odrzuca oczko wskaźnikowe. Jest to wizualna informacja o tym, że wkładka topikowa została zużyta.

O ile kołpaki styku górnego we wszystkich wkładkach topikowych (danego rodzaju oczywiście) mają jednakową średnicę, to średnica styku dolnego (tego wierzchołka odwróconego stożka), jest ściśle związana z wielkością prądu znamionowego danej wkładki. Im większa średnica styku dolnego, tym większy prąd znamionowy wkładki. Oczywiście, średnica styku dolnego jest też dopasowana do średnicy otworu w odpowiedniej wstawce kalibrującej tak, aby styk swobodnie mieścił się we wstawce.

Wnętrze korpusu wkładki topikowej jest wypełniane piaskiem kwarcowym, którego zadaniem jest jak najszybsze ugaszenie łuku elektrycznego, który powstaje w momencie przepalania się topika, jak też odprowadzenie do korpusu powstałego w ten sposób ciepła.

Kolory bezpieczników topikowych

Kolory oczek wskaźnikowych oraz wkładek są ściśle określone, związane z wielkością prądu znamionowego bezpiecznika. W tabelce poniżej mamy zestawienie kolorów i odpowiadających im wartości prądów znamionowych. Część tabelki ograniczona linią wytłuszczoną dotyczy wkładek topikowych najczęściej spotykanych w naszych, domowych rozdzielnicach.

Kolor wskaźnika zadziałania wkładki topikowej (oraz kolor wstawki kalibrującej) Prąd znamionowy wkładki topikowej w amperach [A]
różowa 2
brązowa 4
zielona 6
czerwona 10
szara 16
niebieska 20
żółta 25
czarna 35
biała 50
miedziana 63
srebrna 80
czerwona 100

Główka bezpiecznikowa jest takim specyficznym "pojemnikiem" na wkładkę bezpiecznikową i służy do bezpiecznego jej umieszczenia w gnieździe oraz dobrego dociśnięcia (dla zmniejszenia oporu elektrycznego) i trwałego zamocowania. Górna część główki bezpiecznikowej, ze względów bezpieczeństwa wykonywana jest z porcelany. Jest to niezbędne zabezpieczenie przed możliwością przebicia elektrycznego i porażenia prądem, gdyż główkę można trzymać gołą ręką, a nie należy zapominać o tym, że bezpieczniki typu D, stosowane w instalacjach niskiego napięcia, mogą być obsługiwane nawet przez osoby niewykwalifikowane. Dlatego cała ta konstrukcja musi uwzględniać kategoryczne wymogi bezpieczeństwa, dotyczące wykluczenia jakiejkolwiek możliwości porażenia prądem przy normalnym zachowaniu się oraz przy przestrzeganiu intuicyjnych środków ostrożności. Także przez osoby nie mającej wiedzy o zasadach stosowanych przy obsłudze instalacji i urządzeń elektrycznych.

Główka bezpiecznikowa, widok ogólny.
Główka bezpiecznikowa, widok ogólny.

W środkowej części główki bezpiecznikowej znajduje się zagłębienie z otworem, zabezpieczone szkiełkiem, umocowanym i dociśniętym sprężynką pierścieniową. Jest to bezpieczne okienko dla wzrokowej kontroli oczka wskaźnikowego. Jedno spojrzenie wystarcza by stwierdzić, czy oczko wskaźnikowe znajduje się na swoim miejscu, a więc czy wkładka topikowa zadziałała, czy nie jest zużyta.

Z boku tegoż okienka wskaźnikowego znajduje się otwór na wskroś, niczym nie zabezpieczony. Jest on na tyle mały, że nie stanowi żadnego zagrożenia, pozwala natomiast wsunąć do środka główki na przykład końcówkę neonówki i dotknąć nią styku górnego wkładki topikowej aby sprawdzić obecność napięcia elektrycznego bez odkręcania główki. Jest to i wygodne, i bezpieczniejsze niż okręcanie główki z wkładką i manipulowanie we wstawce dolnej.

Małe otworki w główce na jej obrzeżach (jeden lub kilka) służą do przewlekania drutu plombowego, gdyż bezpieczniki w niektórych punktach instalacji elektrycznej muszą być zabezpieczane plombami.

Rodzaje bezpieczników topikowych

W elektrotechnice spotykamy wiele typów i gatunków bezpieczników topikowych. Niektóre, stosowane w instalacjach przemysłowych, mają budowę nieco odmienną od tej, przedstawionej powyżej, ale działanie wszystkich bezpieczników topikowych opiera się na tej samej zasadzie. Po prostu przekroczenie parametrów prądowych w zabezpieczanym obwodzie powoduje przepalenie się topika i odcięcie zasilania.

Z kolei ze względu na miejsce zastosowania, wszystkie bezpieczniki topikowe dzielimy na dwa rodzaje:

  • bezpieczniki instalacyjne,
  • bezpieczniki aparatowe.

Bezpieczniki topikowe instalacyjne to są wszystkie te, które stosujemy we wszelkich instalacjach elektroenergetycznych. Domowych i przemysłowych. Natomiast bezpieczniki aparatowe służą do zabezpieczania obwodów w różnym sprzęcie elektrycznym i elektronicznym.

Bezpiecznik aparatowy, widok ogólny.
Bezpiecznik aparatowy, widok ogólny.

Ta szklana rurka z drucikiem wewnątrz i dwoma metalowymi zakończeniami też jest rodzajem bezpiecznika topikowego.

Jak stwierdzić, że bezpiecznik topikowy jest przepalony?

Kiedy zabraknie prądu w naszym domu, swoje pierwsze kroki powinniśmy skierować w stronę "skrzynki elektrycznej" czyli domowej rozdzielnicy, w której możemy mieć bezpiecznik topikowy. Jak sprawdzić, czy działa on prawidłowo, czy też uległ przepaleniu?

Można to stwierdzić już na pierwszy rzut oka. Każdy bezpiecznik topikowy ma "okienko" umieszczone centralnie pośrodku porcelanowej główki, a w środku tegoż okienka powinniśmy zobaczyć kolorowe, metalowe "oczko". Jeśli bezpiecznik jest sprawny, oczko będzie tkwiło na swoim miejscu. Jeśli oczka nie będzie, oznacza to, że bezpiecznik jest przepalony i wkładkę należy wymienić.

Jak wymienić wkładkę bezpiecznika topikowego?

Przede wszystkim, zanim wymienimy wkładkę na nową, należy koniecznie usunąć przyczynę przepalenia się poprzedniej. Czyli odłączyć sprzęt z usterką od instalacji. Z moich obserwacji wynika jednak, że usunięcie przyczyn zdarzenia najczęściej zostaje niemal automatycznie wykonane. Bo zakłócenie, które spowodowało zwarcie czy przeciążenie było tylko chwilowe. Coś tam próbowaliśmy podłączyć do gniazdka, jakiś uszkodzony sprzęt albo przepalająca się żarówka zrobiła nam chwilowe zwarcie, a więc zdarzenie było krótkotrwałe i od razu ustało. Czyli możemy przystąpić do wymiany wkładki.

Najpierw należy zaopatrzyć się we wkładkę o dokładnie takich samych oznaczeniach jak ta przepalona. Musi mieć taki sam symbol charakterystyki (najczęściej jest to gG, ale nie zawsze, symbol trzeba odczytać na wkładce uszkodzonej) i taką samą wartość prądu znamionowego. Osoby przezorne mają takie zapasowe wkładki kupione odpowiednio wcześniej, aby w razie awarii mieć je pod ręką i nie biegać wtedy po sklepach.

Następnie należy ostrożnie i powoli wykręcić z gniazda główkę wraz z wkładką topikową. Trzeba uważać aby główka bezpiecznika nie wypadła nam z rąk, gdyż porcelana jest krucha i przy upadku może popękać, a wtedy staje się bezużyteczna i należy ją wymienić na nową. Po odkręceniu główki, zużytą wkładkę wymieniamy na sprawną i całość wkręcamy ponownie w gniazdo bezpiecznikowe. Jeśli tylko ta wkładka uległa uszkodzeniu, to prąd powinien powrócić. Jeśli prądu nadal nie ma, to musimy sprawdzić zabezpieczenie główne, które znajduje się przed licznikiem energii. O ile mamy do niego dostęp. Ono też mogło ulec uszkodzeniu lub wyłączeniu, jeśli jest to zabezpieczenie automatyczne.

Czy przepalone wkładki bezpiecznikowe można naprawiać?

Przestrzegam mocno przed takimi działaniami. Owszem, kiedyś, przed kilkudziesięciu laty, w czasach kiedy wszystkiego na rynku brakowało, regeneracja wkładek topikowych była praktykowana. Ale przeprowadzano ją w oparciu o fabryczne druciki topikowe, dobrane odpowiednio do amperażu wkładki, a wykonywali taką naprawę wykwalifikowani elektrycy, najczęściej ze służb utrzymania ruchu w zakładach przemysłowych.

Niestety, podobne próby zaczęli robić ludzie bez kwalifikacji (i bez wyobraźni), przy pomocy zwykłych drutów z linek przewodów elektrycznych, wstawianych do wkładki "na oko" (słynne "watowanie korków"), przez co bezpiecznik topikowy tracił swoją funkcję i przeważnie niczego już nie zabezpieczał. Dlatego "naprawy" wkładek topikowych zostały całkowicie zabronione, a stosowanie niefabrycznych bezpieczników jest uznawane za poważny błąd w sztuce.

Zresztą, jakiekolwiek "naprawianie" wkładek jest dzisiaj mocno nieekonomiczne, skoro ceny nowych wkładek zaczynają się już od około 2 złotych. Jest to niewielka cena za bezpieczną instalację i spokojny sen.

Stanisław Liberski
Stanisław Liberski
Sam o sobie mówi, że jest prawdziwym fachowcem w dziedzinie elektryki. Doskonale łączy w sobie gruntowne wykształcenie teoretyczne z bogatym doświadczeniem praktycznym. Od kilkunastu lat dzieli się swoją wiedzą i doradza użytkownikom forum.budujemydom.pl. Jego bogata kariera zawodowa obejmuje m.in. pracę jako gastarbeiter na budowie, gdzie doskonalił umiejętności związane z wykończeniem wnętrz, m.in. malowaniem i tapetowaniem. Był również szefem firmy handlu zagranicznego, specjalizującej się w imporcie surowców, materiałów i sprzętu budowlanego. Doświadczenie to pozwoliło mu na dogłębne poznanie rynku budowlanego i nawiązanie cennych kontaktów. Dodatkowo, pełnił funkcję dyrektora ośrodka kultury, co świadczy o jego szerokich zainteresowaniach i umiejętnościach interpersonalnych. Poza pracą zawodową, pasjonuje się pisaniem powieści oraz eksperymentowaniem z recepturami nalewek. To zamiłowania pokazują jego kreatywność i zamiłowanie do odkrywania nowych smaków.
Komentarze

Najnowsze artykuły
Czytaj tak, jak lubisz
W wersji cyfrowej lub papierowej
Moduł czytaj tak jak lubisz