Podmieszanie w instalacjach wodnego ogrzewania podłogowego

Instalacje ogrzewania płaszczyznowego są bardzo popularne w Polsce. Inwestorzy chętnie sięgają po ten sposób przekazywania energii cieplnej poszukując rozwiązań łatwych w obsłudze, tanich i niezawodnych. Nie wszystkie metody kontroli parametrów instalacji dają równie dobre rezultaty. Przed decyzją o zastosowaniu konkretnego sposobu regulacji temperatury pracy warto wziąć pod uwagę, poza ceną, ich zalety i wady.

Podmieszanie w instalacjach wodnego ogrzewania podłogowego

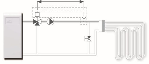
Instalacje z tzw. zaworami RTL, czyli ogranicznikami temperatury powrotu uznaje się za najprostszy układ hydrauliczny ogrzewania podłogowego. Czynnik grzewczy zasila bezpośrednio pętlę podłogówki.

W takim rozwiązaniu nie ma układu mieszającego. Zawór RTL ogranicza przepływ wody po to, aby podłoga nie miała nadmiernie wysokiej temperatury. Jeżeli czynnik grzewczy jest zbyt gorący to zawór RTL, montowany na przewodzie powrotnym, ogranicza odpływ do momentu uzyskania przez pętlę odpowiedniej temperatury.

Pamiętać należy, że instalację ogrzewania podłogowego z zaworem RTL można zastosować jedynie w przypadku pomieszczeń, których powierzchnia nie przekracza 10–12 m². Przy większych powierzchniach podłoga może mieć nierównomierną temperaturę.

Instalacje z tzw. zaworami RTL, czyli ogranicznikami temperatury powrotu uznaje się za najprostszy układ hydrauliczny ogrzewania podłogowego

Oprócz tego takie rozwiązanie pozwala tylko na sterowanie miejscowe poprzez zmianę nastaw zaworu RTL. Nie uwzględniane są przy tym chwilowe zmiany temperatury w pomieszczeniu. Utrzymywana jest względnie stała temperatura podłogi zadana za pomocą zaworu. Największą wadą takiego rozwiązania jest brak kontroli nad temperaturą czynnika wpływającego do pętli ogrzewania podłogowego. Może to doprowadzić do uszkodzenia materiału rur instalacji lub posadzki i warstw wykończeniowych podłogi. Dodatkowo, zastosowanie zaworów RTL może powodować odczucie dyskomfortu temperaturowego ze względu na chwilowe, miejscowe przegrzania powierzchni podłogi. Zaletą układu z zaworem RTL jest mniejszy koszt wykonania w porównaniu z układem mieszającym.

Zalety podmieszania w ogrzewaniu podłogowym

W instalacjach podłogowych z mieszaniem wykorzystywany jest czynnik roboczy z przewodu powrotnego i częściowo czynnik zasilający. Takie rozwiązanie gwarantuje, że ciecz robocza ma taką temperaturę jakiej wymaga instalacja, uwzględniając przy tym wymagania użytkownika. Temperatura regulowana jest na wejściu pętli ogrzewania podłogowego, dzięki czemu instalacja jest dobrze zabezpieczona przed niepożądanym przekroczeniem temperatury zasilania. Instalacja ogrzewania podłogowego może uwzględniać podmieszanie w oparciu o termostatyczny zawór mieszający oraz trójdrogowy zawór mieszający. O zastosowaniu konkretnego rozwiązania decydują oczekiwania użytkowników w zakresie sterowania instalacją.

Termostatyczny zawór mieszający

Termostatyczny zawór mieszający zapewnia mieszanie zasilającego czynnika grzewczego z czynnikiem powrotnym. Przygotowaną w ten sposób podmieszaną wodę zaciąga pompa przekazując do rozdzielacza ogrzewania podłogowego. To właśnie w rozdzielaczu dzięki zaworom regulacyjnym z przepływomierzami ustawiany jest równomierny przepływ w poszczególnych pętlach ogrzewania. Za pomocą termostatycznego zaworu mieszającego ustawia się odpowiednią temperaturę dla instalacji podłogowej. Dla dokładniejszej regulacji instalacji płaszczyznowych często stosowane są termostaty pokojowe wysyłające sygnał do siłowników elektrycznych, sterujących pracą zaworów w rozdzielaczu.
Termostatyczne zawory mieszające ESBE z serii VT cechuje przede wszystkim wysoki poziom precyzji regulacji. Dzięki zaworom tego typu rury ogrzewania podłogowego mają zapewnioną ochronę przed zbyt wysokimi temperaturami z uwzględnieniem komfortu użytkowania instalacji. 

Zawór mieszający z siłownikiem

W przypadku gdy podmieszanie będzie sterowane za pomocą automatyki warto zastosować zawory Esbe serii VRG130 wyposażone w siłowniki serii ARA600 lub sterowniki zintegrowane z siłownikami seria CRx. Zawory VRG130 są to trójdrogowe zawory mieszające wykonane ze specjalnego stopu mosiądzu. Seria VRG dostępna jest w rozmiarach DN15-50, z różnymi rodzajami przyłączy i szerokim zakresem przepływów.

Siłowniki do zaworów mieszających

Najczęściej stosowanym rodzajem sterowania położeniem zaworu mieszającego są siłowniki serii ARA 600 sterowane sygnałem 3-punktowym. Odpowiednie proporcje mieszania określa sterownik kotła lub odpowiedni sterownik obiegu grzewczego i za pomocą sygnału sterującego zmienia położenia zaworu mieszającego.

Siłownikiem serii ARA600 z sygnałem proporcjonalnym steruje napięciowy lub prądowy sygnał, co zapewnia precyzyjną kontrolę pracy zarówno siłownika jak i zaworu przy sterowaniu bardziej zaawansowanymi układami automatyki.
Siłownik współpracuje z zaworami obrotowymi o rozmiarach DN 15‒50 przy zakresie roboczym 90°.

Sterowniki niezbędne dla siłowników

Do sterowania pracą siłowników niezbędne są sterowniki. Możliwe jest stosowanie rozdzielonych urządzeń, jednak dużym uznaniem cieszą się zintegrowane sterowniki z siłownikami, przeznaczone do regulacji stałotemperaturowej w temperaturze, która mieści się pomiędzy 5 a 95°C. Można zastosować np. sterownik ESBE z serii CRA110. Produkty te sprawdzają się zwłaszcza w instalacjach wymagających stałej temperatury wody. Temperatura jest ustawiana za pomocą prostego w obsłudze interfejsu z przyciskami i wyświetlaczem. Tego rodzaju sterownik z obrotowym zaworem trójdrogowym może stanowić alternatywę dla termostatycznych zaworów mieszających w zakresach większych przepływów.

Warto zwrócić uwagę na urządzenia ESBE serii CRA150. Są to zintegrowane siłowniki i sterowniki stałotemperaturowe. Spektrum zastosowania urządzeń tego typu obejmuje przede wszystkim instalacje łączące funkcje ogrzewania i chłodzenia w ramach tego samego obiegu. Praca sterownika może odbywać się w dwóch trybach. Tryb pierwszy to np. ogrzewanie, zatem miesza się gorąca ciecz z cieczą powrotną uwzględniając zadaną temperaturę. Tryb drugi może obejmować chłodzenie aktywowane sygnałem zewnętrznym. W momencie aktywacji sterownik zmieni kierunek pracy, po czym zostanie zmieszana zimna ciecz z cieczą powrotną z uwzględnieniem alternatywnej nastawy temperatury. Jest to idealne rozwiązanie dla układów ogrzewania i chłodzenia płaszczyznowego zasilanych z tego samego źródła – np. pompy ciepła.

Bardzo ciekawym rozwiązaniem dla układów ogrzewania podłogowego może być sterownik regulujący temperaturę wewnątrz pomieszczeń – CRB120. Dzięki zintegrowanemu w bezprzewodowym module pokojowym czujnikowi temperatury można sterować parametrami zasilania bez konieczności stosowania dodatkowych siłowników na belkach rozdzielaczy. Sterownik odpowiednio dobierając temperaturę zasilania pętli ogrzewania podłogowego będzie utrzymywał właściwą temperaturę wewnątrz budynku.

Nowoczesne instalacje wodnego ogrzewania podłogowego bazują na układzie podmieszania. W porównaniu do układu z zaworem RTL instalacja z podmieszaniem zapewnia wysoki poziom komfortu użytkowania systemu grzewczego. Jest także od niego dużo bezpieczniejsza. Odpowiednie rozwiązanie w zakresie sterowania podmieszaniem dobiera się w zależności od potrzeb użytkowników instalacji.

źródło i zdjęcia: ESBE Hydronic Systems