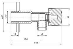
Nowość od Perfexim: Zawór kulowy podłączeniowy kątowy

Do naszego asortymentu włączyliśmy nowy zawór antykamienny PHA-055.

Nowość od Perfexim: Zawór kulowy podłączeniowy kątowy
PERFEXIM Pompy ciepła
Dane kontaktowe:
61 222 64 00
Samotna 2 61-441 Poznań
Zobacz firmę w innym dziale: Armatura kuchenna i łazienkowa

PokażUkryj szczegółowe informacje o firmie

Najważniejsze cechy produktu:

Materiały:

Do naszego asortymentu włączyliśmy nowy zawór antykamienny PHA-055 Korpus: mosiądz CW617N z powłoka chrom;

Trzpień z kula: POM

Uszczelnienie głowicy: pierścienie uszczelniające typu "O" – NBR;

Pokrętło: stop cynku z powłoką chrom.

Rozeta: stal nierdzewna

Parametry:

Max ciśnienie robocze: 1,0MPa (10bar);

Max temperatura robocza: +90°C

źródło i zdjęcia: Perfexim