Czy montaż pompy obiegowej w starym kotle węglowym wpłynie na zużycie opału?

Czy montaż pompy obiegowej w starym kotle węglowym wpłynie na zużycie opału?

Mam dość stary kocioł węglowy pracujący w grawitacyjnej (bez pompy) instalacji grzewczej. Obecnie nie chcę większej modernizacji ogrzewania, ale zastanawiam się nad zamontowaniem pompy obiegowej, która być może usprawniłaby pracę systemu grzewczego. Czy jej zamontowanie wpłynie na zużycie opału i gdzie należy ją wstawić?

Odpowiedź eksperta: Grawitacyjny obieg grzewczy zaczyna działać dopiero wtedy, gdy temperatura wody na zasilaniu wzrośnie na tyle, że różnica gęstości wody ciepłej i zimnej spowoduje wzrost ciśnienia zdolnego pokonać opory przepływu w instalacji. Wymiennik ciepła w kotle musi więc nagrzać się do odpowiednio wysokiej temperatury, zanim kocioł w ogóle zacznie przekazywać ciepło do grzejników. Pompa zaś pozwala na działanie instalacji grzewczej, gdy temperatura wody jest niższa.

Jednak niewłaściwe wstawienie w obieg grzewczy pompy może spowodować szereg komplikacji w funkcjonowaniu ogrzewania. Pompa wstawiona w obieg, w przypadku jej unieruchomienia np. przez brak prądu, bardzo ogranicza przepływ grawitacyjny, co w konsekwencji może doprowadzić do przegrzania kotła, gdyż ciepło nie będzie odbierane przez grzejniki. Problem ten rozwiązuje zamontowanie równolegle do pompy "obejścia" z zaworem różnicowym. Wywołany pracą pompy wzrost ciśnienia normalnie utrzymuje zawór w stanie zamkniętym, zaś w razie wyłączenia pompy zawór otwiera się i woda przepływa grawitacyjnie przez obejście.

Ponadto dodanie pompy do obiegu może powodować wahania poziomu wody w otwartym naczyniu wzbiorczym.

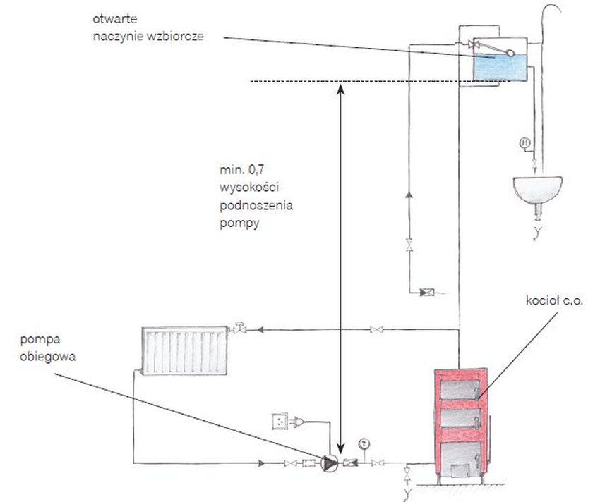
Naczynie wzbiorcze może znaleźć się po stronie ssawnej lub tłocznej pompy (przed lub za pompą, patrząc zgodnie z kierunkiem przepływu wody). Zgodnie z polskimi normami w pierwszym przypadku naczynie wzbiorcze musi się znaleźć min. 30 cm ponad najwyżej umieszczonym grzejnikiem, w drugim zaś naczynie należy umieścić powyżej pompy, nie niżej niż 0,7 jej wysokości podnoszenia. Wszystko dlatego, że pompa o zbyt dużej wysokości podnoszenia, tłocząca wodę w kierunku naczynia wzbiorczego, może spowodować nawet jej przelewanie się. Właściwa lokalizacja będzie więc zależeć od tego, jak mają się parametry wybranej pompy do wysokości, na jakiej znajduje się naczynie wzbiorcze.

W niesprzyjających warunkach mogą też wystąpić problemy z rozpaleniem kotła. Przy włączonej pompie wymiennik kotła wychładza się, co powoduje również schłodzenie spalin i słaby ciąg kominowy. Wyłączenie pompy na czas tuż po rozpaleniu powinno eliminować ten problem.

Schemat: Naczynie wzbiorcze po stronie tłocznej pompy
Naczynie wzbiorcze po stronie tłocznej pompy
Naczynie wzbiorcze po stronie ssawnej pompy
Naczynie wzbiorcze po stronie ssawnej pompy

Redakcja BD

Redakcja Budujemy Dom
Redakcja Budujemy Dom
Od 1998 roku Redakcja "Budujemy Dom" tworzy społeczność pasjonatów budownictwa, którzy z chęcią dzielą się swoją wiedzą i doświadczeniem. Nasz zespół to wykwalifikowani redaktorzy, architekci, inżynierowie i specjaliści z różnych dziedzin budownictwa, którzy stale poszerzają swoją wiedzę i śledzą najnowsze trendy.
Komentarze

Gość mhtyl
23-11-2019 21:33
1 godzinę temu, Gość Iwona napisał: Witam nie wiem dlaczego jak rozpala to cały dym sądzą jest w mieszkaniu może pompa nie działa jak powinna Pompa nie ma wpływu na palenie sie w piecu, na to ma wpływ dmuchawa i raczej jej nie masz albo nie jest włączona ...
Gość Iwona
23-11-2019 20:30
Witam nie wiem dlaczego jak rozpala to cały dym sądzą jest w mieszkaniu może pompa nie działa jak powinna
Gość jan
31-12-2018 20:46
wplynie tak ze zaplacisz za 300 kw za sezon grzewczy, ktore to zuzyje pompka
Wiecej na Forum BudujemyDom.pl
Najnowsze artykuły
Czytaj tak, jak lubisz
W wersji cyfrowej lub papierowej
Moduł czytaj tak jak lubisz